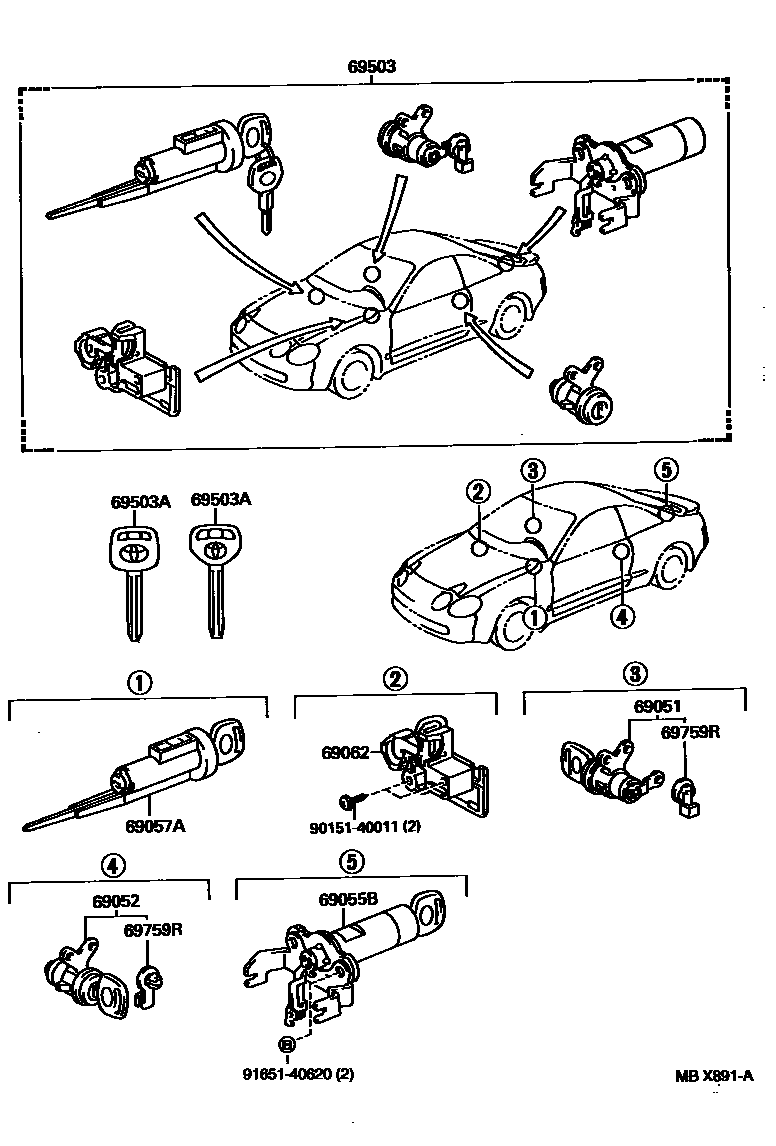
LOCK CYLINDER SET

69051CYLINDER & KEY SET, DOOR LOCK, RH
69052CYLINDER & KEY SET, DOOR LOCK, LH
69057ACYLINDER & KEY SET, IGNITION SWITCH LOCK
sub69057-20260
69062CYLINDER & KEY SET, GLOVE COMPARTMENT LOCK
69503AKEY, BLANK
MASTER KEY,W(*68)
SUB KEY,W(*68)
69759RSNAP, FRONT DOOR LOCK CYLINDER
ORANGE
PINK
9015140011
main90151-40011
9165140620
main91651-40620
10 parts on this diagram · 2 diagrams in section