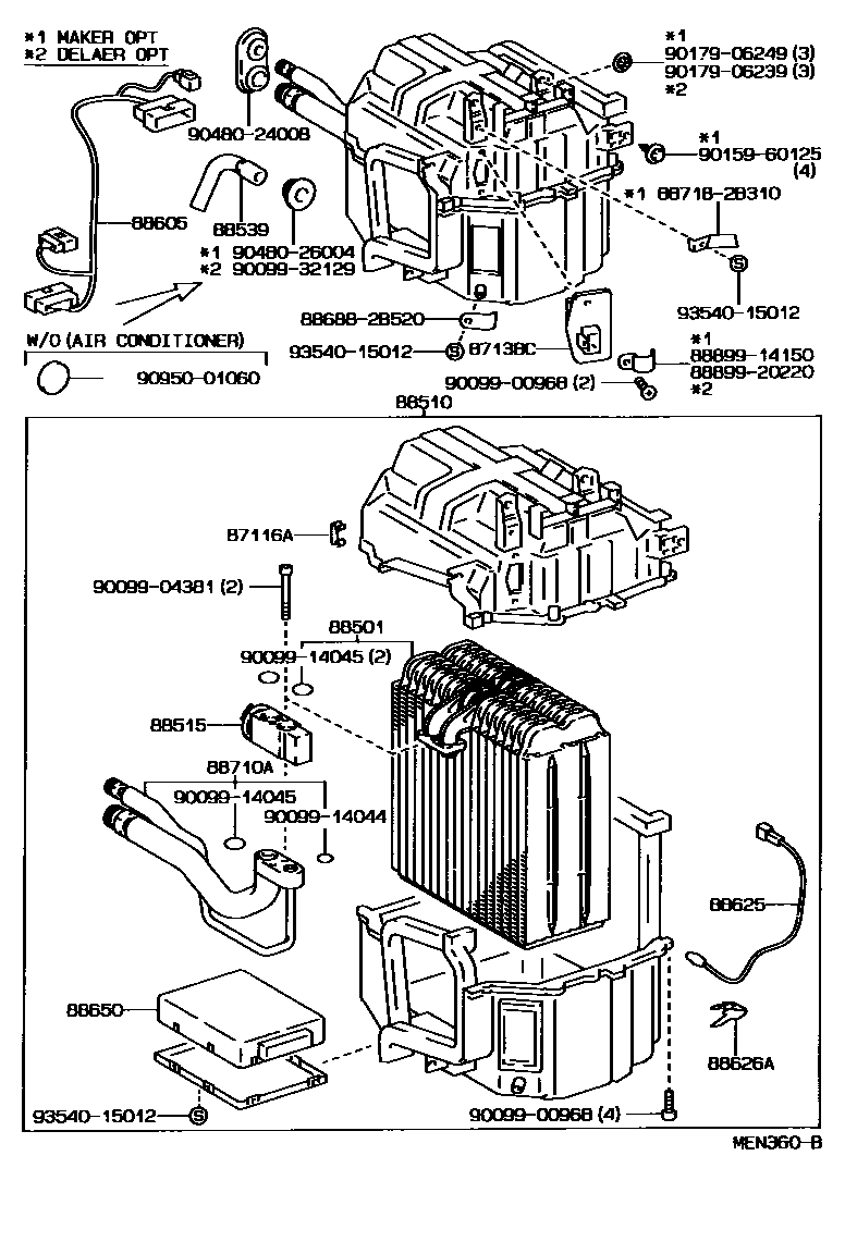
HEATING & AIR CONDITIONING - COOLER UNIT

87116ASPRING, HOLDING (FOR COOLER UNIT CASE)
87138CRESISTOR, BLOWER
W(MANUAL AIR CONDITIONER)
88510UNIT ASSY, COOLER
88515VALVE, COOLER EXPANSION
sub88515-14061
sub88515-14062
sub88515-33010
W(MANUAL AIR CONDITIONER)
sub88515-33010
88539HOSE, COOLER UNIT DRAIN, NO.1
88625THERMISTOR, COOLER, NO.1
MAKER OPT
DEALER OPT
88626AHOLDER, THERMISTOR
88710ATUBE ASSY, AIR CONDITIONER
886882B520BRACKET, COOLER DIAPHRAGM
main88688-2B520
887182B310PIPE, COOLER REFRIGERANT SUCTION, NO.2
main88718-2B310
8889914150COVER, EVAPORATOR
main88899-14150
8889920220COVER, EVAPORATOR
main88899-20220
9009900968
main90099-00968
9009904381
main90099-04381
9009914044
main90099-14044
9009914045
main90099-14045
9009932129
main90099-32129
9015960125
main90159-60125
9017906239
main90179-06239
9017906249
main90179-06249
9048024008
main90480-24008
9048026004
main90480-26004
9095001060
main90950-01060
9354015012
main93540-15012
27 parts on this diagram · 3 diagrams in section