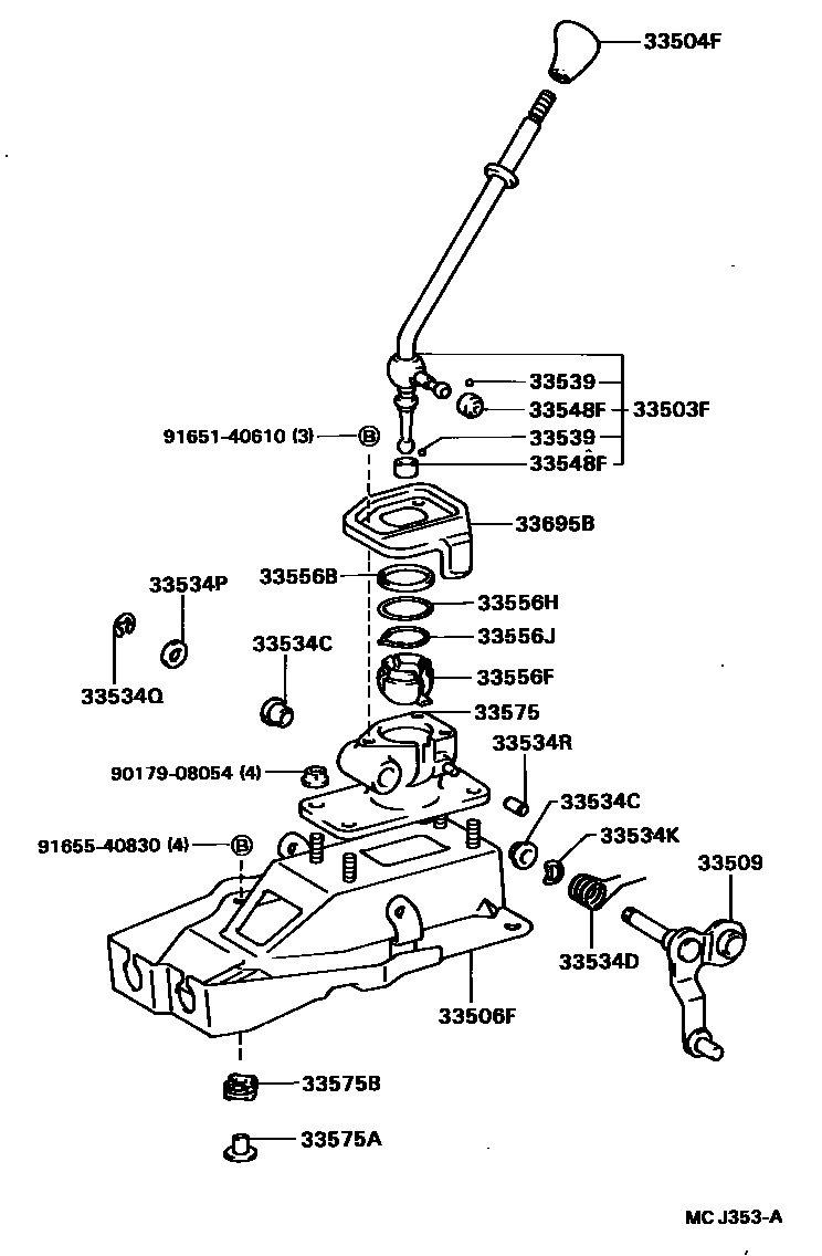
SHIFT LEVER & RETAINER

33503FLEVER SUB-ASSY, SHIFT(FOR FLOOR SHIFT)
33504FKNOB SUB-ASSY, SHIFT LEVER
33506FRETAINER SUB-ASSY, CONTROL SHIFT LEVER (FOR FLOOR SHIFT)
33509CRANK SUB-ASSY, SELECTING BELL, NO.1
33534CBUSH (FOR SELECTING BELLCRANK NO.1)
33534DSPRING, TORSION (FOR SELECTING BELLCRANK NO.1)
33534KWASHER, WAVE (FOR SELECTING BELLCRANK NO.1)
33534PWASHER, PLATE (FOR SELECTING BELLCRANK NO.1)
33534QRING, E (FOR SELECTING BELLCRANK NO.1)
33534RCUSHION (FOR SELECTING BELLCRANK NO.1)
33539CUSHION, SHIFT LEVER ANTI-RATTLE
33548FBUSH, NO.1, SHIFT LEVER (FOR FLOOR SHIFT)
33556BBUSH (FOR TRANSMISSION SHIFT LEVER BALL SEAT)
33556FSEAT, TRANSMISSION SHIFT LEVER BALL
33556HSHIM (FOR TRANSMISSION SHIFT LEVER BALL SEAT)
T=0.5,MARK=A
T=0.6,MARK=B
T=0.7,MARK=C
T=0.8,MARK=D
T=0.9,MARK=E
T=1.0,MARK=F
T=1.1,MARK=G
T=1.2,MARK=H
T=1.3,MARK=J
T=1.4,MARK=K
T=1.5,MARK=L
T=1.6,MARK=M
T=1.7,MARK=N
33556JRING, SHAFT SNAP (FOR TRANSMISSION SHIFT LEVER SEAT)
33575RETAINER, CONTROL SHIFT LEVER (FOR FLOOR SHIFT)
33575ABUSH, NO.1 (FOR CONTROL SHIFT LEVER RETAINER)
33575BBUSH, NO.2 (FOR CONTROL SHIFT LEVER RETAINER)
33695BCOVER, SELECTING SPRING (FOR FLOOR SHIFT)
9017908054
main90179-08054
9165140610
main91651-40610
9165540830
main91655-40830
23 parts on this diagram · 7 diagrams in section