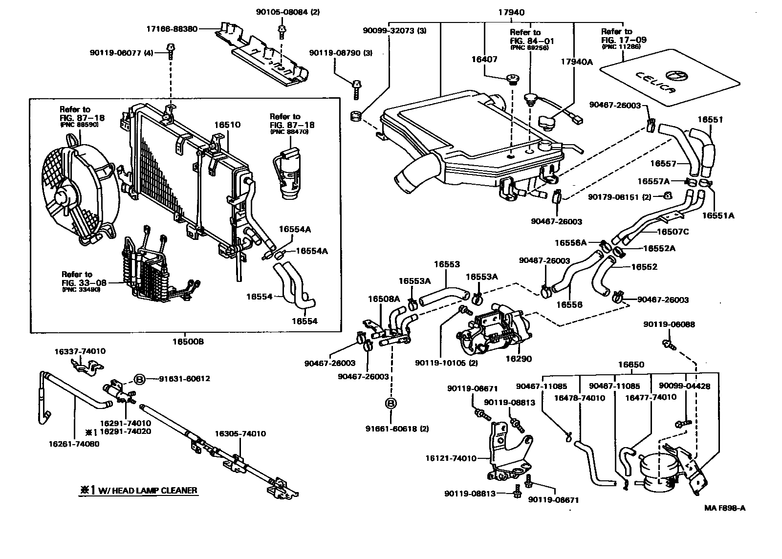
INTERCOOLER & SUB RADIATOR

16290PUMP ASSY, WATER W/MOTOR & BRACKET
16407COCK SUB-ASSY, RADIATOR DRAIN
16500BSUB-RADIATOR KIT
16507CPIPE SUB-ASSY, SUB-RADIATOR, NO.1
16508APIPE SUB-ASSY, SUB-RADIATOR, NO.2
16510SUB-RADIATOR ASSY
16551HOSE, SUB-RADIATOR, NO.1
16551ACLIP, SUB-RADIATOR HOSE, NO.1
sub90467-26007
16552HOSE, SUB-RADIATOR, NO.2
16552ACLIP, SUB-RADIATOR HOSE, NO.2
sub90467-26007
16553HOSE, SUB-RADIATOR, NO.3
16553ACLIP, SUB-RADIATOR HOSE, NO.3
sub90467-26007
16554HOSE, SUB-RADIATOR, NO.4
16554ACLIP, SUB-RADIATOR HOSE, NO.4
sub90467-26007
16556HOSE, SUB-RADIATOR, NO.6
16556ACLIP, SUB-RADIATOR HOSE, NO.6
sub90467-26007
16557HOSE, SUB-RADIATOR, NO.7
16557ACLIP, SUB-RADIATOR HOSE, NO.7
sub90467-26007
16650TANK ASSY, RESERVE(FOR INTERCOOLER)
1709
17940INTERCOOLER ASSY
17940ACAP SUB-ASSY, INTERCOOLER
3308
8401
8718
1612174010STAY, WATER PUMP
main16121-74010
1626174080HOSE, WATER BY-PASS
main16261-74080
1629174010JOINT, WATER HOSE
main16291-74010
1629174020JOINT, WATER HOSE
main16291-74020
1630574010OUTLET SUB-ASSY, WATER BY-PASS
main16305-74010
1633774010CONNECTOR, WATER OUTLET HOUSING, NO.3
main16337-74010
1647774010PIPE(FOR RADIATOR RESERVE TANK)
main16477-74010
1647874010
main16478-74010
1716688380INSULATOR, EXHAUST MANIFOLD HEAT,NO.4
main17166-88380
9009904428
main90099-04428
9009932073
main90099-32073
9010508084
main90105-08084
9011906077
main90119-06077
9011906088
main90119-06088
9011906671
main90119-06671
9011908790
main90119-08790
9011908813
main90119-08813
9011910105
main90119-10105
9017908151
main90179-08151
9046711085
main90467-11085
9046726003
main90467-26003
9163160612
main91631-60612
9166160618
main91661-60618
48 parts on this diagram · 1 diagram in section