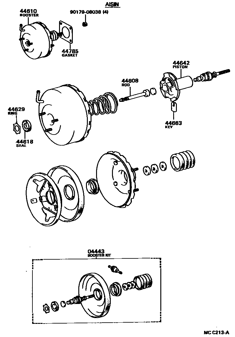
BRAKE BOOSTER & VACUUM TUBE

04443BOOSTER KIT, BRAKE
NORTHRN EUROPE SPEC,AISIN
JKC
44608PUSH ROD SUB-ASSY, BOOSTER
NORTHRN EUROPE SPEC,AISIN
JKC
44610BOOSTER ASSY, BRAKE
NORTHRN EUROPE SPEC
44618SEAL, BOOSTER BODY
NORTHRN EUROPE SPEC
44629RING, CIRCULAR INTERNAL
NORTHRN EUROPE SPEC
44642PISTON, BRAKE BOOSTER
NORTHRN EUROPE SPEC
44663KEY, VALVE STOPPER
NORTHRN EUROPE SPEC
44785GASKET, BRAKE BOOSTER
9017908038
9 parts on this diagram · 4 diagrams in section