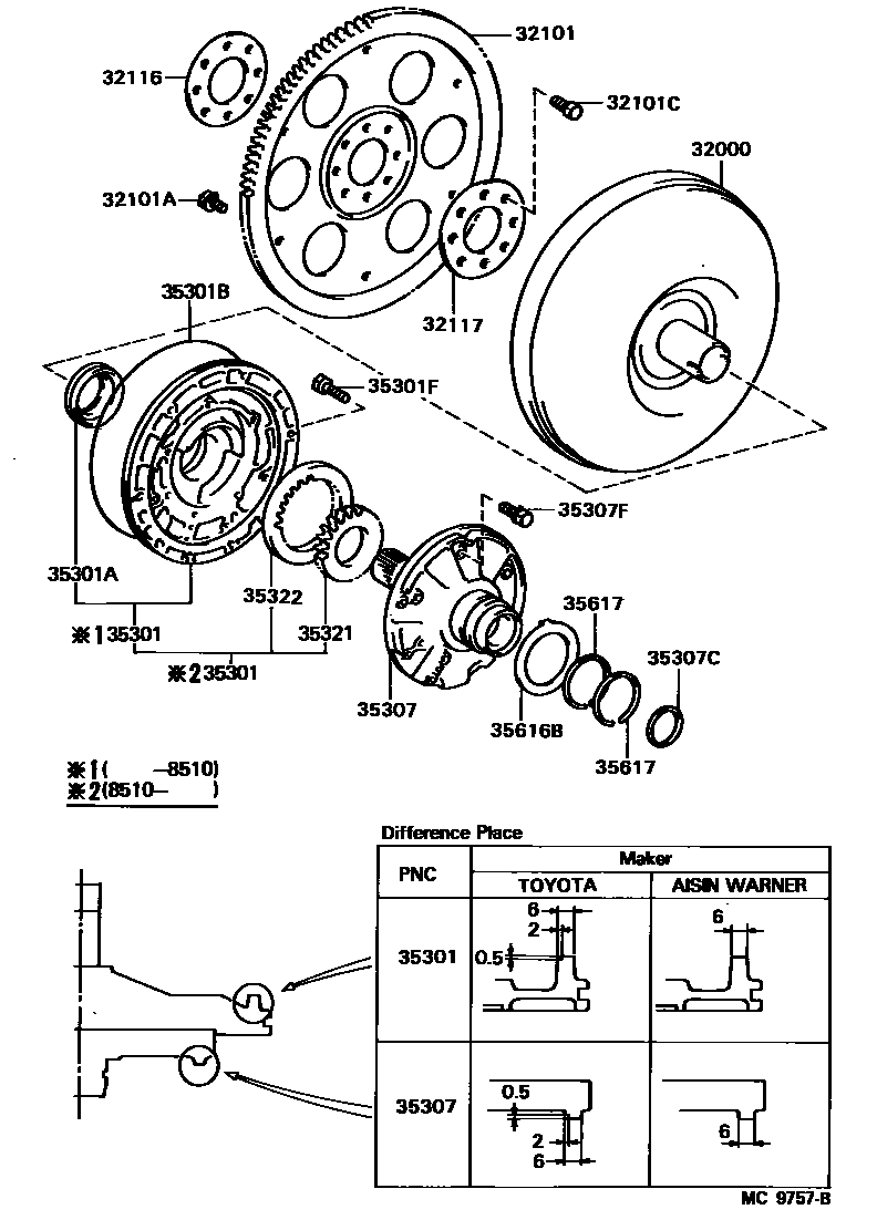
TORQUE CONVERTER, FRONT OIL PUMP & CHAIN (ATM)

32101GEAR SUB-ASSY, DRIVE PLATE & RING
32101ABOLT(FOR DRIVE PLATE & TORQUE CONVERTER SETTING)
*8-1.25PX12-8.4,GREEN
*8-1.25PX12-8,BLACK
32101CBOLT, HEXAGON(FOR DRIVE PLATE SETTING)
*10-1.25PX22-16
32116SPACER, DRIVE PLATE, FRONT
32117SPACER, DRIVE PLATE, REAR
35301BODY SUB-ASSY, FRONT OIL PUMP
AISIN WARNER
35301ASEAL, OIL (FOR FRONT OIL PUMP)
35301BRING, O (FOR FRONT OIL PUMP BODY)
35301FBOLT (FOR FRONT OIL PUMP SETTING)
*8-1.25PX28-28
35307SHAFT SUB-ASSY, STATOR
35307CRACE, THRUST BEARING (FOR STATOR SHAFT)
T=0.8,T=0.8
T=1.4,T=1.4
35307FBOLT (FOR STATOR SHAFT)
35321GEAR, FRONT OIL PUMP DRIVE
35322GEAR, FRONT OIL PUMP DRIVEN
35616BWASHER, CLUTCH DRUM THRUST (FOR STATOR SHAFT)
35617RING, CLUTCH DRUM OIL SEAL
17 parts on this diagram · 1 diagram in section