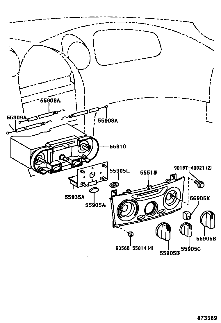
HEATING & AIR CONDITIONING - CONTROL & AIR DUCT

55905LKNOB, HEATER CONTROL, NO.5
55906ACABLE SUB-ASSY, DEFROSTER DAMPER CONTROL
55908ACABLE SUB-ASSY, AIR INLET DAMPER CONTROL
55909ACABLE SUB-ASSY, AIRMIX DAMPER CONTROL
55910CONTROL ASSY, HEATER OR BOOST VENTILATOR
W(MANUAL AIR CONDITIONER)
W(MANUAL AIR CONDITIONER)
55935ACIRCUIT, CENTER CLUSTER MODULE
9016740021
main90167-40021
9356855014
main93568-55014
13 parts on this diagram · 3 diagrams in section