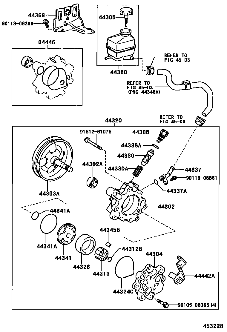
VANE PUMP & RESERVOIR (POWER STEERING)

04446GASKET KIT, POWER STEERING PUMP
44302HOUSING SUB-ASSY, VANE PUMP, FRONT
44302ASEAL, OIL, NO.1(FOR VANE PUMP HOUSING)
44303ASHAFT SUB-ASSY, W/PULLEY
44304HOUSING SUB-ASSY, VANE PUMP, REAR
44305CAP SUB-ASSY, VANE PUMP OIL RESERVOIR
sub44305-20050
44308UNION SUB-ASSY, PRESSURE PORT
44312BRING, SNAP, NO.1(FOR VANE PUMP SHAFT)
44313ROTOR, VANE PUMP
NO MARK
MARK 1
MARK 2
MARK 3
MARK 4
44324CRING, O(FOR PUMP HOUSING REAR)
44326RING, CAM(FOR VANE PUMP)
NO MARK
MARK 1
MARK 2
MARK 3
MARK 4
44330VALVE ASSY, FLOW CONTROL
MARK A
MARK B
MARK C
MARK D
MARK E
MARK F
44330ASPRING, COMPRESSION(FOR FLOW CONTROL VALVE)
44337UNION, POWER STEERING SUCTION PORT
44337ARING, O(FOR POWER STEERING SUCTION PORT)
44338ARING, O(FOR PRESSURE PORT UNION)
OD=22,ID=18.6
44341ARING, O(FOR VANE PUMP FRONT SIDE PLATE)
INNER
OUTER
44345BPLATE, VANE PUMP
ROTOR NO MARK
ROTOR MARK 1
ROTOR MARK 2
ROTOR MARK 3
ROTOR MARK 4
44360RESERVOIR ASSY, VANE PUMP OIL
44369BRACKET, OIL RESERVOIR, NO.1
44442ABRACKET, VANE PUMP, REAR
4503
9010508365
main90105-08365
9011906390
main90119-06390
9011908B61
main90119-08B61
9151261075
main91512-61075
28 parts on this diagram · 2 diagrams in section