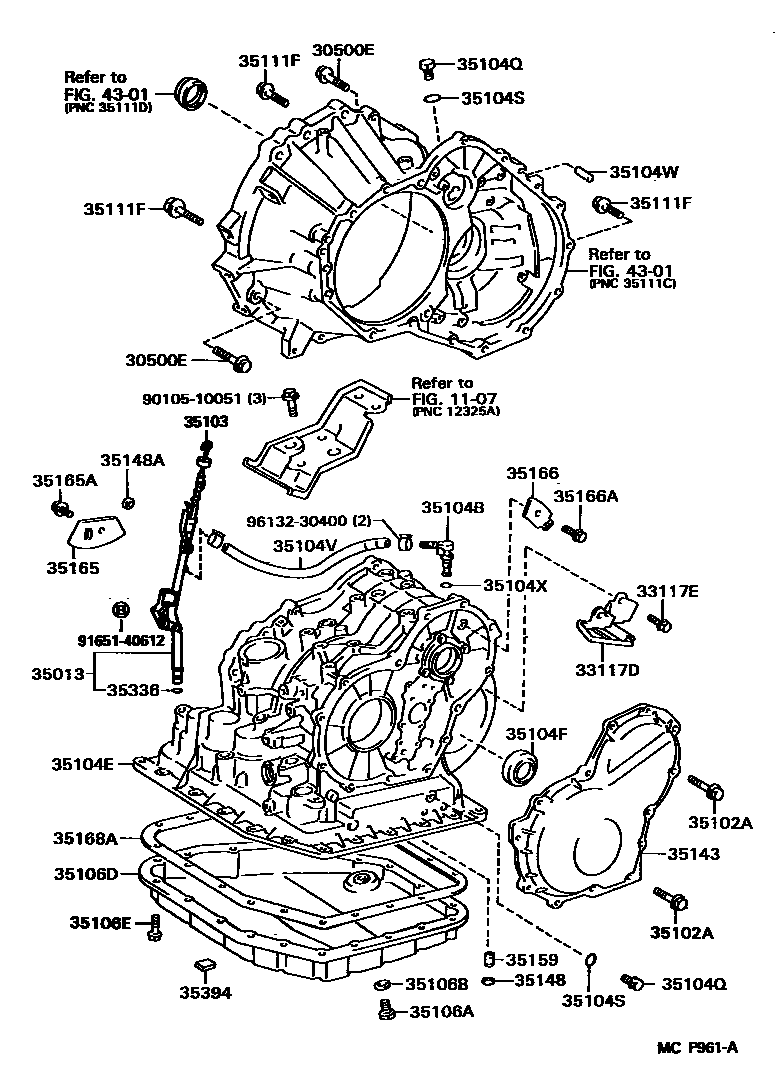
TRANSMISSION CASE & OIL PAN (ATM)

1107
30500EBOLT(FOR TRANSAXLE & ENGINE SETTING)
*10-1.25PX43-26
*12-1.25PX55-30
*12-1.25PX45-30
33117DPROTECTOR, AUTOMATIC TRANSMISSION CASE
33117EBOLT(FOR AUTOMATIC TRANSMISSION CASE PROTECTOR)
sub91641-H0820
35013TUBE SUB-ASSY, TRANSMISSION OIL FILLER
35102ABOLT (FOR TRANSAXLE REAR COVER SETTING)
*6-1.00PX32-32
*6-1.0PX25-25
35103GAGE SUB-ASSY, TRANSMISSION OIL LEVEL
35104BPLUG, BREATHER, NO.1 (ATM)
35104ECASE SUB-ASSY, AUTOMATIC TRANSAXLE
35104QPLUG, NO.1 (FOR TRANSAXLE CASE)
35104SRING, O (FOR TRANSAXLE CASE PLUG NO.1)
35104VHOSE (FOR BREATHER PLUG)
35104WPIN, STRAIGHT (FOR TRANSAXLE CASE)
35104XRING, O (FOR BREATHER PLUG)
35106BGASKET, DRAIN PLUG (ATM)
35106DPAN SUB-ASSY, AUTOMATIC TRANSAXLE OIL
35106EBOLT (FOR TRANSAXLE OIL PAN)
35111FBOLT (FOR TRANSAXLE HOUSING & TRANSAXLE CASE SETTING)
*8-1.25PX30-25
*8-1.28PX30-25
35143COVER, TRANSMISSION CASE, REAR
35148GASKET, GOVERNOR APPLY, NO.1
35148AGASKET, GOVERNOR APPLY, NO.2
35159GASKET, BRAKE DRUM
35165PLATE, TRANSMISSION CASE, NO.1
35165ABOLT (FOR TRANSMISSION CASE PLATE NO.1)
35166PLATE, TRANSMISSION CASE, NO.3
35166ABOLT (FOR TRANSMISSION CASE PLATE NO.3)
35168AGASKET, AUTOMATIC TRANSAXLE OIL PAN
35336RING, O (FOR TRANSMISSION OIL FILLER TUBE)
35394MAGNET, OIL CLEANER (FOR TRANSMISSION)
4301
9010510051
main90105-10051
9165140612
main91651-40612
9613230400
main96132-30400
35 parts on this diagram · 2 diagrams in section