HEATING & AIR CONDITIONING - CONTROL & AIR DUCT

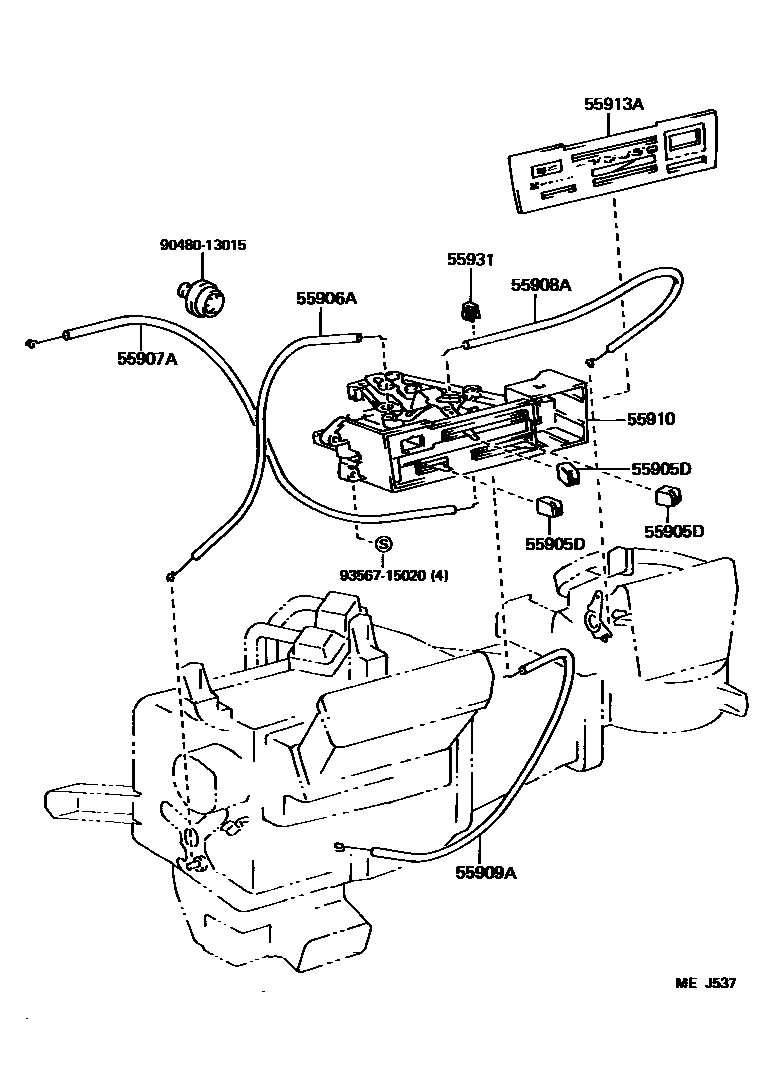
55905DKNOB SUB-ASSY, CONTROL
55906ACABLE SUB-ASSY, DEFROSTER DAMPER CONTROL
55907ACABLE SUB-ASSY, WATER VALVE CONTROL
55908ACABLE SUB-ASSY, AIR INLET DAMPER CONTROL
55909ACABLE SUB-ASSY, AIRMIX DAMPER CONTROL
55910CONTROL ASSY, HEATER OR BOOST VENTILATOR
W(MANUAL AIR CONDITIONER)
W(AUTOMATIC AIR CONDITIONER)
W(AUTOMATIC AIR CONDITIONER)
W(AUTOMATIC AIR CONDITIONER)
55913APLATE, HEATER CONTROL LEVER GUIDE
W(AIR CONDITIONER)
55931CLAMP, HEATER CONTROL WIRE
9048013015
main90480-13015
9356715020
main93567-15020
10 parts on this diagram · 4 diagrams in section