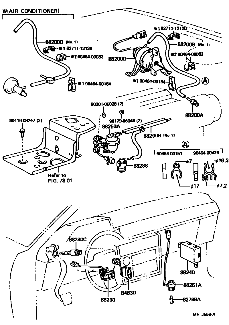
CRUISE CONTROL (AUTO DRIVE)

7801
83798AKEY, SPEEDOMETER CABLE ADAPTER
84630SWITCH ASSY, CRUISE CONTROL MAIN
88200AUNION OR WAY, CRUISE CONTROL VACUUM
88200BHOSE, CRUISE CONTROL VACUUM
W(AIR CONDITIONER),NO.1
NO.3
W(ANTI-LOCK BRAKE SYSTEM),NO.1
NO.2
NO.2
W(ANTI-LOCK BRAKE SYSTEM),NO.1
88230SWITCH ASSY, CRUISE CONTROL(AUTO DRIVE) CONTROL
88240COMPUTER ASSY, CRUISE CONTROL
W(ANTI-LOCK BRAKE SYSTEM)
88261ASENSOR, SPEED CRUISE CONTROL
88280CSWITCH ASSY, CLUTCH
8271112120WIRE, FUSE TO FUSE(FOR COMBUSTION HEATER)
main82711-12120
9011908247
main90119-08247
9017906045
main90179-06045
9020106028
main90201-06028
9046400082
main90464-00082
9046400151
main90464-00151
9046400184
main90464-00184
9046400426
main90464-00426
20 parts on this diagram · 2 diagrams in section