E
EPC Data
Pricing
API Docs
Sign In
Home
›
EU
›
252440
›
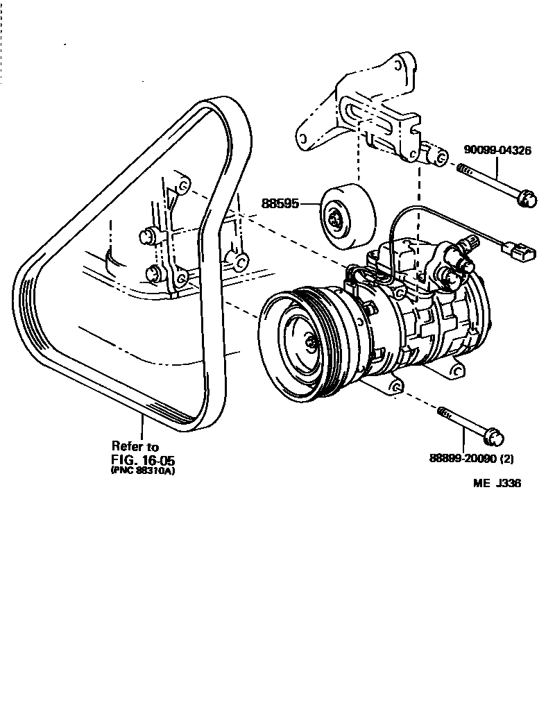
HEATING & AIR CONDITIONING - COMPRESSOR
HEATING & AIR CONDITIONING - COMPRESSOR
0001 1
0002 1
0003 1
0004 1
1605
88595
PULLEY, COOLER COMPRESSOR IDLE
main
88440-20120
i
ST162..GTS
198508-198708
8889920090
COVER, EVAPORATOR
main
88899-20090
9009904326
main
90099-04326
4 parts on this diagram · 4 diagrams in section
HEATING & AIR CONDITIONING - COMPRESSOR — Toyota Parts Diagram with OEM Numbers & Prices | EPC Data