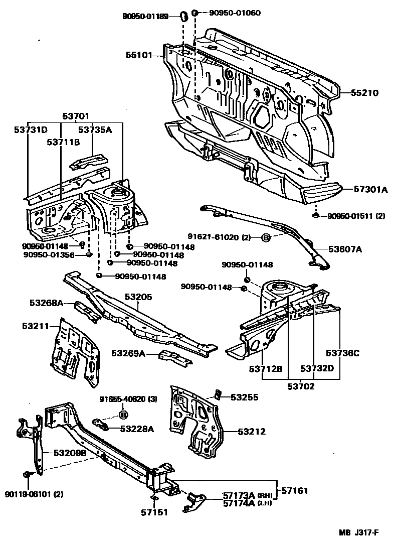
FRONT FENDER APRON & DASH PANEL

53205SUPPORT SUB-ASSY, RADIATOR, UPPER
53209BBRACE SUB-ASSY, HOOD LOCK SUPPORT
53211SUPPORT, RADIATOR, RH
53212SUPPORT, RADIATOR, LH
53228ABRACKET, RADIATOR MOUNTING, LOWER NO.1
53268AREINFORCEMENT, RADIATOR MOUNTING, RH
53269AREINFORCEMENT, RADIATOR MOUNTING, LH
53607ABRACE SUB-ASSY, FRONT SUSPENSION, UPPER CENTER
PLANT. A51-A54
53701APRON SUB-ASSY, FRONT FENDER, RH
53702APRON SUB-ASSY, FRONT FENDER, LH
53711BAPRON, FRONT FENDER, FRONT RH
53712BAPRON, FRONT FENDER, FRONT LH
53731DMEMBER, FRONT APRON TO COWL SIDE, UPPER RH
53732DMEMBER, FRONT APRON TO COWL SIDE, UPPER LH
53735AMEMBER, FRONT APRON TO COWL SIDE, LOWER RH
53736CMEMBER, FRONT APRON TO COWL SIDE, LOWER LH
55101PANEL SUB-ASSY, DASH
55210INSULATOR ASSY, DASH PANEL
57151REINFORCEMENT, FRONT SIDE MEMBER, NO.1
57161CROSSMEMBER, FRONT
57173AREINFORCEMENT, FRONT CROSSMEMBER, NO.3 RH
57174AREINFORCEMENT, FRONT CROSSMEMBER, NO.3 LH
57301AMEMBER SUB-ASSY, STEERING GEAR BOX SUPPORT
sub57301-20150
9011906101
main90119-06101
9095001060
main90950-01060
9095001148
main90950-01148
9095001189
main90950-01189
9095001356
main90950-01356
9095001511
main90950-01511
9162161020
main91621-61020
9165540820
main91655-40820
32 parts on this diagram · 1 diagram in section