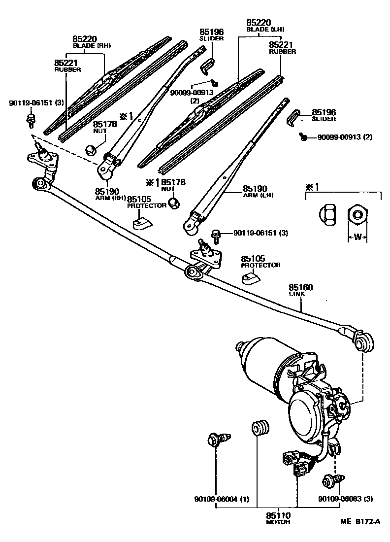
WINDSHIELD WIPER

85105PROTECTOR, WIPER
RH
LH
85110MOTOR ASSY, WINDSHIELD WIPER
85160LINK ASSY, WINDSHIELD WIPER
85178NUT (FOR FRONT WIPER ARM SETTING)
W=14
W=12
W=12
85190ARM ASSY, WINDSHIELD WIPER
RH
LH
LH
LH
LH
RH
RH
RH
RH
RH
RH
RH
RH
RH
RH
RH
LH
85196SLIDER, WIPER ARM
RH
RH
RH,LH
RH,LH
85220BLADE ASSY, WINDSHIELD WIPER
RH
LH
RH
RH
LH
LH
85221BLADE, WINDSHIELD WIPER
9009900913
main90099-00913
9010906004
main90109-06004
9010906063
main90109-06063
9011906151
main90119-06151
12 parts on this diagram · 2 diagrams in section