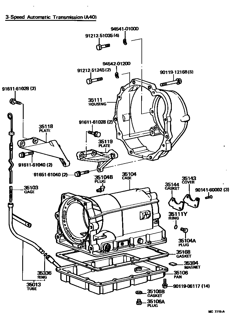
TRANSMISSION CASE & OIL PAN (ATM)

35013TUBE SUB-ASSY, TRANSMISSION OIL FILLER
35104CASE SUB-ASSY, AUTOMATIC TRANSMISSION
sub35104-22050
sub35104-26020
sub35104-26030
sub35104-30140
sub35104-30150
35104APLUG, AUTOMATIC TRANSMISSION CASE
35104BPLUG, BREATHER, NO.1 (ATM)
35106PAN SUB-ASSY, AUTOMATIC TRANSMISSION OIL
sub35106-22021
sub35106-30031
sub35106-30051
sub35106-30061
35106BGASKET, DRAIN PLUG (ATM)
35111YRING, O (FOR AUTOMATIC TRANSMISSION CASE)
35118PLATE, STIFENER, RH (ATM)
35143COVER, TRANSMISSION CASE, REAR
35144GASKET, TRANSMISSION CASE REAR COVER
sub35144-28010
35168GASKET, AUTOMATIC TRANSMISSION OIL PAN
35336RING, O (FOR TRANSMISSION OIL FILLER TUBE)
35394MAGNET, OIL CLEANER (FOR TRANSMISSION)
9011906117
main90119-06117
9011912168
main90119-12168
9014160002
main90141-60002
9121251035
main91212-51035
9121251245
main91212-51245
9161161028
main91611-61028
9161161040
main91611-61040
9165161040
main91651-61040
9454101000
main94541-01000
9454201200
main94542-01200
27 parts on this diagram · 5 diagrams in section