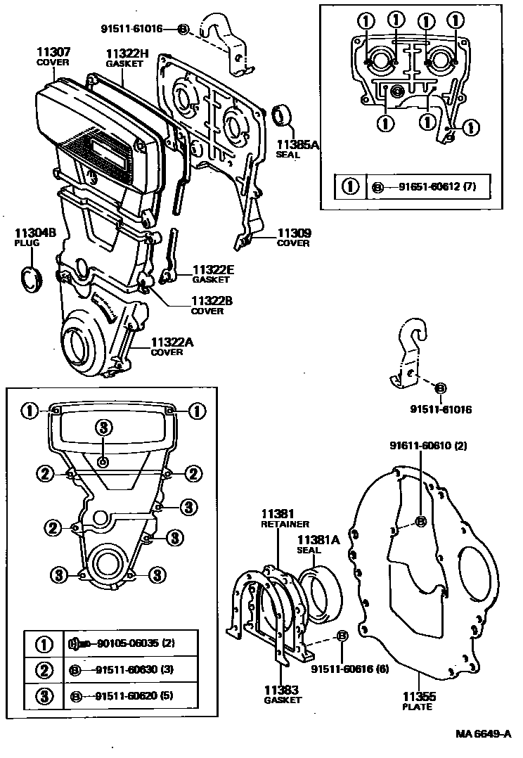
TIMING GEAR COVER & REAR END PLATE

11304COVER, TIMING CHAIN OR BELT, NO.2
11304BPLUG, SEMI CIRCULAR(FOR CHAIN COVER NO.2)
OD=34
11307COVER, SUB-ASSY, TIMING BELT, NO.3
11322ACOVER, TIMING BELT, NO.1
sub11302-16011
11322BCOVER, TIMING BELT, NO.2
11322EGASKET, TIMING BELT COVER, NO.2
11385RETAINER, CAMSHAFT OIL SEAL
9010506035
main90105-06035
9151160616
main91511-60616
9151160620
main91511-60620
9151160630
main91511-60630
9151161016
main91511-61016
9161160610
main91611-60610
9165160612
main91651-60612
21 parts on this diagram · 9 diagrams in section