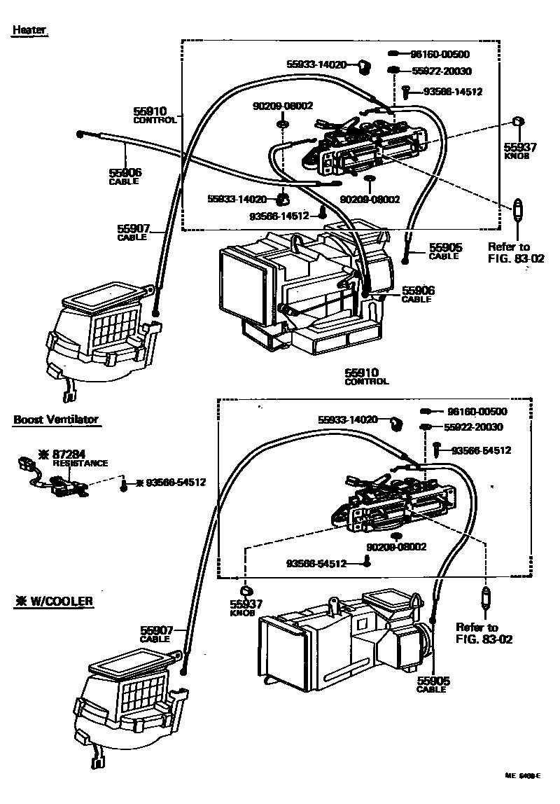
HEATING & AIR CONDITIONING - CONTROL & AIR DUCT

55905CABLE SUB-ASSY, DEFROST CONTROL
L=450
55906CABLE SUB-ASSY, HEATER CONTROL
L=630
L=550,WATER VALVE
L=680,WATER VALVE
55907CABLE SUB-ASSY, HEATER AIR INLET BUTTERFLY
55910CONTROL ASSY, HEATER OR BOOST VENTILATOR
W/BOOST VENTILATOR ONLY
W/BOOST VENTILATOR ONLY
W/BOOST VENTILATOR & COOLER
W/BOOST VENTILATOR & COOLER
W/BOOST VENTILATOR ONLY
W/BOOST VENTILATOR ONLY
W/BOOST VENTILATOR & COOLER
W/BOOST VENTILATOR & COOLER
55937KNOB, HEATER CONTROL LEVER
WEST GERMANY SPEC
8302
87284RESISTOR SUB-ASSY, VARIABLE
W/O HEATER
5592220030BRACKET, HEATER CONTROL BASE
5593314020GUIDE, LEVER, NO.2
9020908002
9356614512
9356654512
9616000500
13 parts on this diagram · 2 diagrams in section