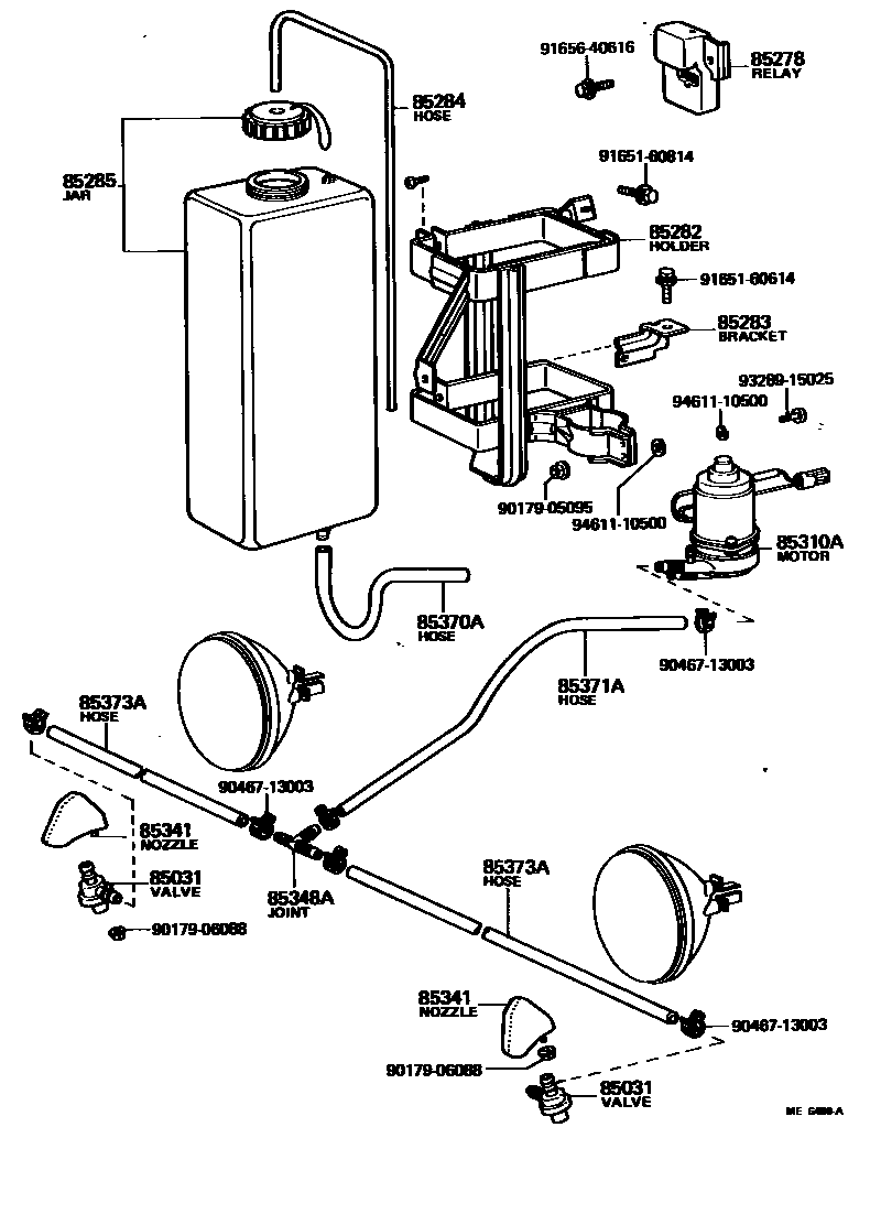
HEADLAMP CLEANER

85031VALVE, HEADLAMP CLEANER WASHER HOSE
85278RELAY ASSY, HEADLAMP CLEANER CONTROL
85282HOLDER ASSY, HEADLAMP CLEANER WASHER JAR
UPR
85283BRACKET, HEADLAMP CLEANER WASHER
85284HOSE ASSY, HEADLAMP CLEANER WASHER
L=1300
85285JAR, HEADLAMP CLEANER WASHER
85310AMOTOR AND PUMP ASSY, HEADLAMP CLEANER WASHER
85341NOZZLE, HEADLAMP CLEANER WASHER
85348AJOINT, HEADLAMP CLEANER HOSE, NO.1
85370AHOSE ASSY, HEADLAMP CLEANER WASHER, NO.1
85371AHOSE, HEADLAMP CLEANER(FROM MOTOR TO JOINT)
L=460
85373AHOSE, HEADLAMP CLEANER WASHER (FROM JOINT TO NOZZLE)
9017905095
main90179-05095
9017906088
main90179-06088
9046713003
main90467-13003
9165160614
main91651-60614
9165160814
main91651-60814
9165640616
main91656-40616
9328915025
main93289-15025
9461110500
main94611-10500
20 parts on this diagram · 3 diagrams in section