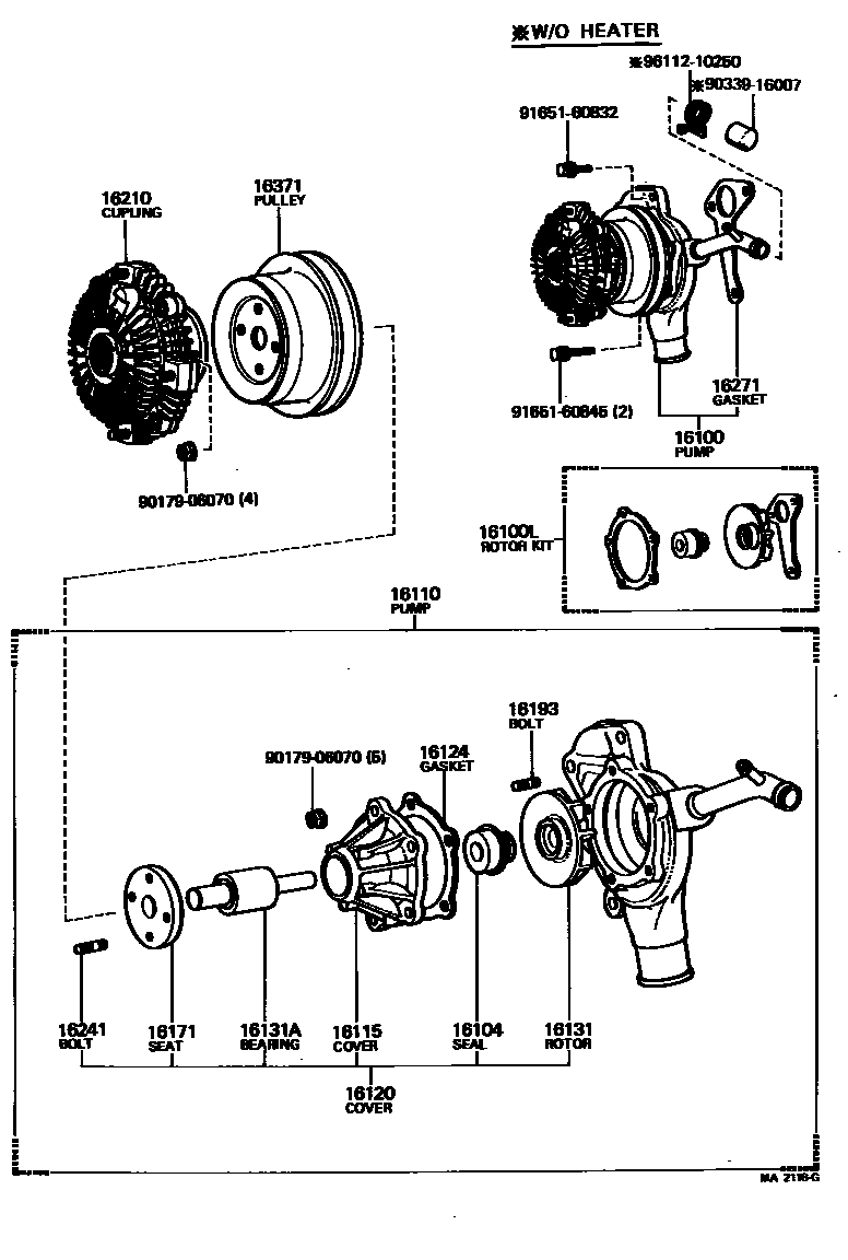
WATER PUMP

16115COVER, WATER PUMP
16124GASKET, WATER PUMP COVER
sub16129-33031
16131ABEARING, WATER PUMP
sub90369-30066
16171SEAT, WATER PUMP PULLEY
16193BOLT, STUD(FOR WATER PUMP COVER)
L=20.5,S=5.5&9
16371PULLEY, FAN
9017906070
main90179-06070
9033916007
main90339-16007
9165160832
main91651-60832
9165160845
main91651-60845
9611210250
main96112-10250
20 parts on this diagram · 4 diagrams in section