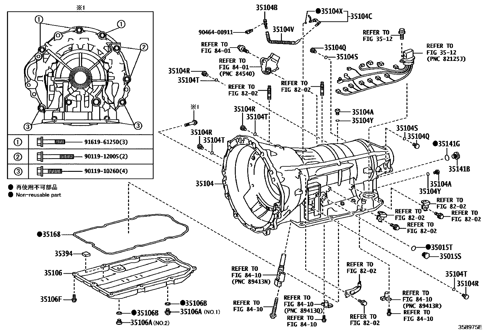
TRANSMISSION CASE & OIL PAN (ATM)

35015SPLUG, STRAIGHT(FOR TRANSMISSION CASE ADAPTER)
35015TRING, O(FOR TRANSMISSION CASE ADAPTER)
35104CASE SUB-ASSY, AUTOMATIC TRANSMISSION
35104APLUG, AUTOMATIC TRANSMISSION CASE
35104BPLUG, BREATHER, NO.1 (ATM)
35104CPLUG, BREATHER, NO.2 (ATM)
35104QPLUG, NO.1 (FOR TRANSAXLE CASE)
35104RPLUG, NO.2 (FOR TRANSAXLE CASE)
35104SRING, O (FOR TRANSAXLE CASE PLUG NO.1)
35104TRING, O (FOR TRANSAXLE CASE PLUG NO.2)
35104VHOSE (FOR BREATHER PLUG)
35104XRING, O (FOR BREATHER PLUG)
35104YRING, O (FOR AUTOMATIC TRANSMISSION CASE)
35106APLUG SUB-ASSY, DRAIN (ATM)
NO.1:REFER ILLUST.
NO.2:REFER ILLUST.
35106BGASKET, DRAIN PLUG (ATM)
35106FBOLT (FOR AUTOMATIC TRANSMISSION OIL PAN)
3512
35141BPLUG (FOR AUTOMATIC TRANSMISSION CASE)
35141GRING, O (FOR AUTOMATIC TRANSMISSION CASE)
35168GASKET, AUTOMATIC TRANSMISSION OIL PAN
35394MAGNET, OIL CLEANER (FOR TRANSMISSION)
8202
8401
8410
9011910260
main90119-10260
9011912005
main90119-12005
9046400911
main90464-00911
9161961250
main91619-61250
29 parts on this diagram · 2 diagrams in section