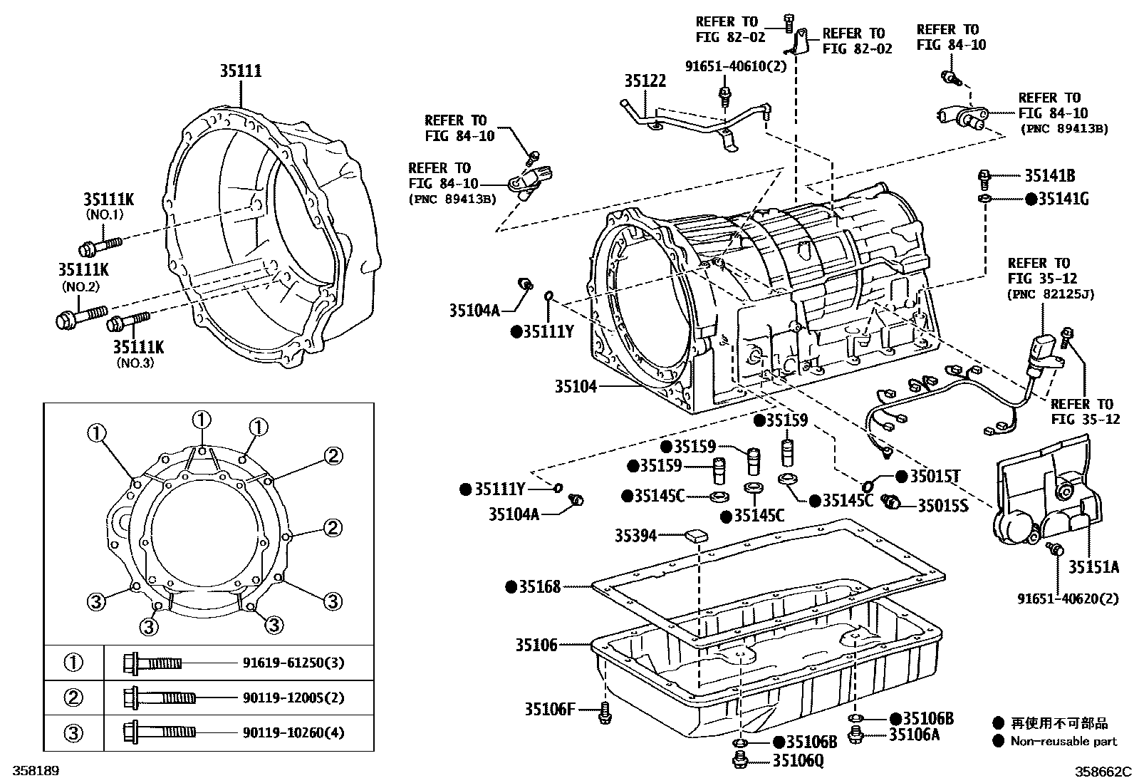
TRANSMISSION CASE & OIL PAN (ATM)

35015SPLUG, STRAIGHT(FOR TRANSMISSION CASE ADAPTER)
35015TRING, O(FOR TRANSMISSION CASE ADAPTER)
35104CASE SUB-ASSY, AUTOMATIC TRANSMISSION
35104APLUG, AUTOMATIC TRANSMISSION CASE
35106PAN SUB-ASSY, AUTOMATIC TRANSMISSION OIL
35106APLUG SUB-ASSY, DRAIN (ATM)
NO.1:REFER ILLUST.
NO.2:REFER ILLUST.
35106BGASKET, DRAIN PLUG (ATM)
35106FBOLT (FOR AUTOMATIC TRANSMISSION OIL PAN)
35106QPLUG (FOR AUTOMATIC TRANSMISSION OIL PAN)
35111HOUSING, AUTOMATIC TRANSMISSION
35111KBOLT (FOR TRANSMISSION HOUSING & CASE SETTING)
*10-1.5PX35-30,NO.1:REFER ILLUST.
*10-1.50PX35-29.3,NO.3:REFER ILLUST.
*12-1.75PX38-30,NO.2:REFER ILLUST.
35111YRING, O (FOR AUTOMATIC TRANSMISSION CASE)
3512
35122TUBE, BREATHER (FOR AUTOMATIC TRANSAXLE)
35141BPLUG (FOR AUTOMATIC TRANSMISSION CASE)
35141GRING, O (FOR AUTOMATIC TRANSMISSION CASE)
35145CGASKET, TRANSAXLE CASE
35151ACOVER, TRANSAXLE CASE, UPPER
35159GASKET, BRAKE DRUM
35168GASKET, AUTOMATIC TRANSMISSION OIL PAN
35394MAGNET, OIL CLEANER (FOR TRANSMISSION)
8202
8410
9011910260
9011912005
9161961250
9165140610
9165140620
28 parts on this diagram · 2 diagrams in section