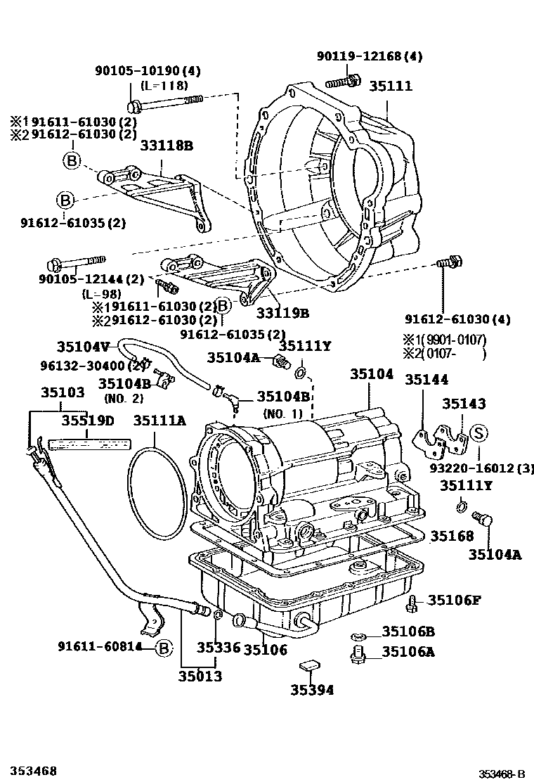
TRANSMISSION CASE & OIL PAN (ATM)

33118BPLATE, STIFFENER, RH(ATM)
33119BPLATE, STIFFENER, LH(ATM)
35103GAGE SUB-ASSY, TRANSMISSION OIL LEVEL
35104CASE SUB-ASSY, AUTOMATIC TRANSMISSION
35104APLUG, AUTOMATIC TRANSMISSION CASE
35104BPLUG, BREATHER, NO.1 (ATM)
NO.1
NO.2
NO.2
35104VHOSE (FOR BREATHER PLUG)
35106PAN SUB-ASSY, AUTOMATIC TRANSMISSION OIL
35111HOUSING, AUTOMATIC TRANSMISSION
35111ARING, O (FOR AUTOMATIC TRANSMISSION HOUSING)
35111YRING, O (FOR AUTOMATIC TRANSMISSION CASE)
35143COVER, TRANSMISSION CASE, REAR
35144GASKET, TRANSMISSION CASE REAR COVER
35168GASKET, AUTOMATIC TRANSMISSION OIL PAN
35336RING, O (FOR TRANSMISSION OIL FILLER TUBE)
35394MAGNET, OIL CLEANER (FOR TRANSMISSION)
35519DLABEL, AUTOMATIC TRANSMISSION INFORMATION
9010510190
main90105-10190
9010512144
main90105-12144
9011912168
main90119-12168
9161160814
main91611-60814
9161161030
main91611-61030
9161261030
main91612-61030
9161261035
main91612-61035
9322016012
main93220-16012
9613230400
main96132-30400
30 parts on this diagram · 2 diagrams in section