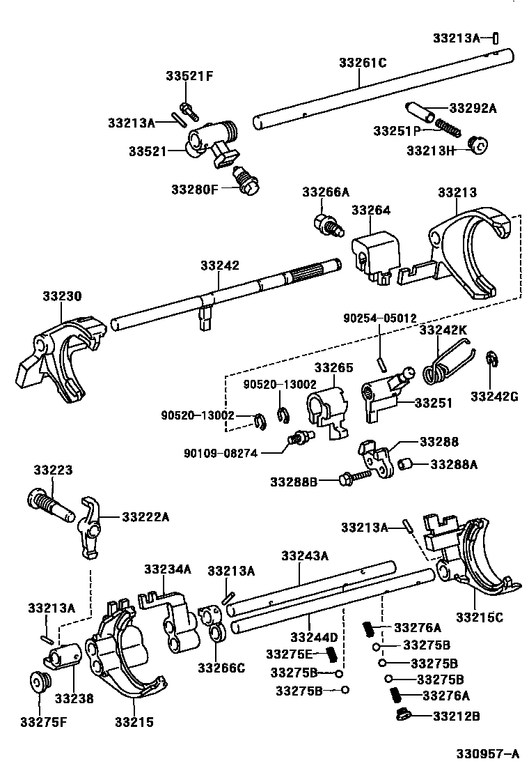
GEAR SHIFT FORK & LEVER SHAFT (MTM)

33212BPLUG, W/HEAD STRAIGHT SCREW, NO.1
33213FORK, 1ST & 2ND SHIFT
33213APIN, SLOTTED SPRING(FOR SHIFT FORK SET)
33213HPLUG, W/HEAD STRAIGHT SCREW, NO.2
33215FORK, 3RD & 4TH SHIFT
33215CFORK, 6TH SHIFT
33222AARM, 5TH SHIFT
33223PIVOT, SHIFT ARM
33230FORK, 5TH & REVERSE
33234AHEAD, GEAR SHIFT, NO.3
33238HEAD, REVERSE SHIFT ARM
33242SHAFT, GEAR SHIFT FORK, NO.1
33242GRING, E (FOR SHIFT FORK SHAFT)
33242KSPRING, TORSION(FOR SELECT RETURN)
33243ASHAFT, GEAR SHIFT FORK, NO.2
33244DSHAFT, GEAR SHIFT FORK, NO.3
33251LEVER, SHIFT & SELECT
33251PSPRING (FOR SHIFT & SELECT LEVER)
33261CSHAFT, SHIFT & SELECT LEVER
33264PIN, OR BALL, SHIFT INTERLOCK, NO.1
33265PIN, SHIFT INTERLOCK, NO.2
33266ABOLT (FOR SHIFT INTERLOCK PLATE)
33275BBALL, SHAFT DETENT
33275ESPRING, COMPRESSION (FOR SHIFT DETENT BALL)
33275FPLUG (FOR SHIFT DETENT BALL)
33276ASPRING, COMPRESSION, NO.2 (FOR SHIFT DETENT BALL)
33288BLOCK, SELECT STOPPER
33288APIN, RING(FOR SELECT STOPPER BLOCK)
33288BBOLT, FLANGE(FOR SELECT STOPPER BLOCK)
33292APIN, LOCK BALL
sub33292-20010
33521FPIN OR BOLT (FOR SHIFT LEVER HOUSING)
9010908274
main90109-08274
9025405012
main90254-05012
9052013002
main90520-13002
37 parts on this diagram · 1 diagram in section