E
EPC Data

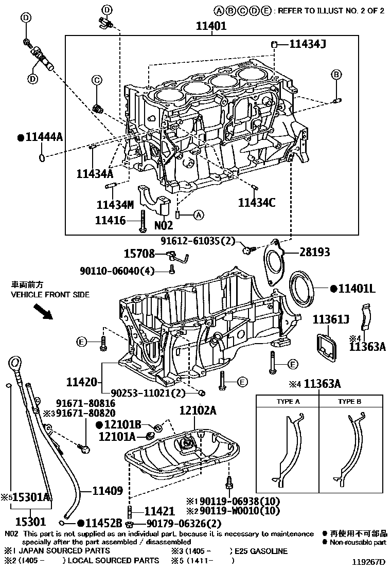
CYLINDER BLOCK

Parts diagram
11361JCOVER, FLYWHEEL HOUSING UNDER
main11361-21011i201203-201411
11363ACOVER, FLYWHEEL HOUSING SIDE
main11363-21010i201411-201508
main11363-33010i201508-202109
TYPE B:REFER ILLUST.
11401BLOCK SUB-ASSY, CYLINDER
main11410-09455i201203-201411
(L)
main11410-09456i201612-202109
(L)
main11410-39057i201411-201612
(J)
main11410-39245i201612-202109
(J)
11401LSEAL, ENGINE REAR OIL
main90311-W0011supersedes 90311-78008i201204-201411
ENGINE-2ZRFXE(MADE IN UK),(L)
11409GUIDE SUB-ASSY, OIL LEVEL GAGE
main11409-37010i201203-201411
11416BOLT(FOR CRANKSHAFT BEARING CAP SET)
main90910-02163×10i201203-201411
11420CRANKCASE ASSY, STIFFENING
main11420-0T030i201411-202008
ENGINE-2ZR-FXE(MADE IN UK),(L),*149
11421BOLT, STUD(FOR OIL PAN)
main90126-06028×2i201203-201411
11434APIN, STRAIGHT(FOR TIMING GEAR COVER SET)
main90250-04097×2i201203-201411
L=12,OD=4.0
11434CPIN, STRAIGHT (FOR CYLINDER HEAD SET)
11434JPIN, RING (FOR CYLINDER HEAD SET)
main90253-13001×2i201203-201411
11434MPIN, STRAIGHT(FOR CHAIN TENSIONER)
main90250-10030i201203-201411
11444ARING, O
main96723-24020i201203-201411
11452BRING, O(FOR OIL LEVEL GAGE GUIDE)
main96721-19010i201203-201411
12101APLUG(FOR OIL PAN DRAIN)
main90341-12012i201203-201411
12101BGASKET(FOR OIL PAN DRAIN PLUG)
main90430-12031i201411-202109
12102APAN SUB-ASSY, OIL, NO.2
main12102-37010i201203-201411
main12102-0T040i201605-202008
ENGINE-2ZR-FXE(MADE IN UK),(L)
15301GAGE SUB-ASSY, OIL LEVEL
main15301-37010supersedes 15301-37030i201203-201208
15301ARING, O(FOR OIL LEVEL GAGE)
main96741-19005i201411-202109
15708NOZZLE SUB-ASSY, OIL, NO.1
main15708-37011×4i201203-201211
main15708-37012×4i201211-201411
28193INSULATOR, STARTER HOLE
main28193-21010i201411-202109
9011006040
9011906938
90119W0010
9017906326
9025311021
9161261035
9167180816
9167180820

29 parts on this diagram · 2 diagrams in section

CYLINDER BLOCK — Toyota Parts Diagram with OEM Numbers & Prices | EPC Data