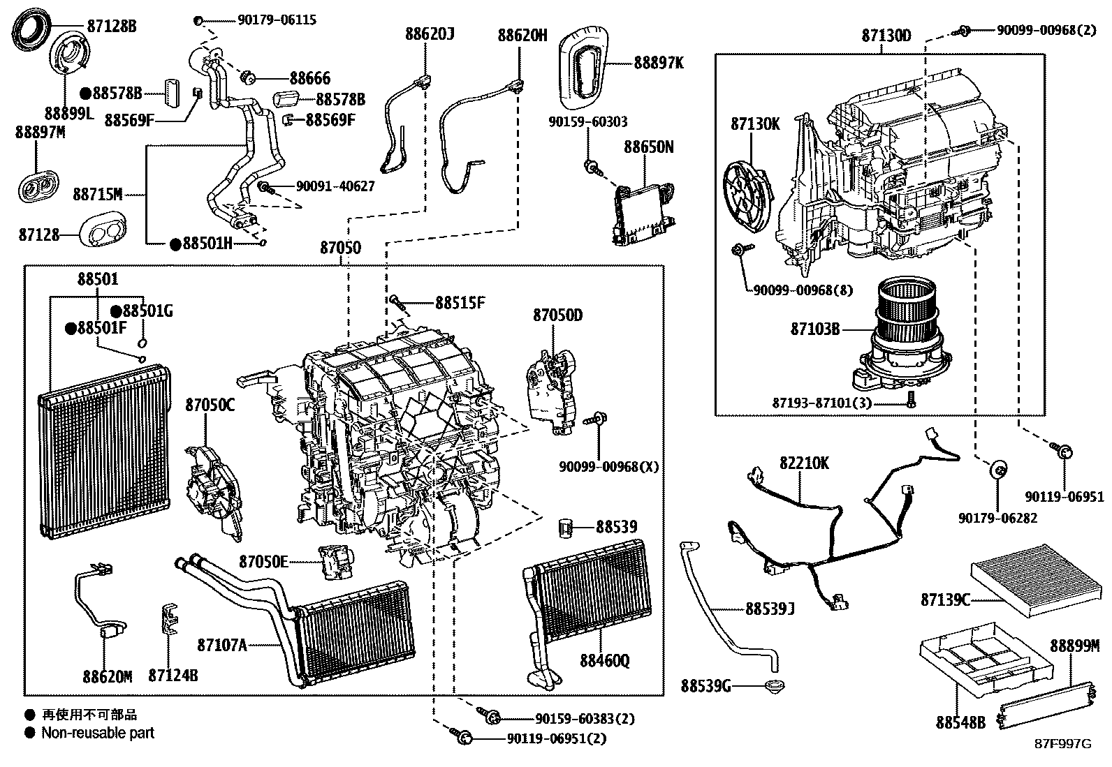
HEATING & AIR CONDITIONING - COOLER UNIT

82210KHARNESS ASSY, AIR CONDITIONER
87050RADIATOR ASSY, AIR CONDITIONER
TAIWAN SPEC
87050CDAMPER SERVO SUB-ASSY, AIR CONDITIONER RADIATOR, NO.1
87050DDAMPER SERVO SUB-ASSY, AIR CONDITIONER RADIATOR, NO.2
TAIWAN SPEC
87050EDAMPER SERVO SUB-ASSY, AIR CONDITIONER RADIATOR, NO.3
87103BMOTOR SUB-ASSY, BLOWER W/FAN
87107AUNIT SUB-ASSY, HEATER RADIATOR
87124BCLAMP, HEATER
87128GROMMET, HEATER
87128BGROMMET, HEATER, NO.2
87130DBLOWER ASSY
87130KDAMPER SERVO SUB-ASSY, BLOWER, NO.1
87139CFILTER, CLEAN AIR
POLLEN FILTER
DEODORANT FILTER
88501FO-RING, COOLER EVAPORATOR NO.1(DISCHARGE)
ID=10.8,OD=15.6
88501GO-RING, COOLER EVAPORATOR NO.1(SUCTION)
ID=13.4,OD=18.2
88501HO-RING, COOLER EVAPORATOR NO.2(DISCHARGE)
ID=10.8,OD=15.6
88515FBOLT(FOR COOLER EXPANSION VALVE)
88539HOSE, COOLER UNIT DRAIN, NO.1
88539GGROMMET (FOR COOLER UNIT DRAIN HOSE)
88548BCASE, AIR FILTER
88569FCLAMP
88578BPACKING, COOLING UNIT, NO.1
88620HSENSOR, INTERNAL CONDENSER TEMPERATURE
88620JSENSOR, DISCHARGE TEMPERATURE
88620MSENSOR, EVAPORATOR TEMPERATURE
88650NAMPLIFIER ASSY, AIR CONDITIONER
88666SPACER (FOR COOLER UNIT)
88897KGROMMET, (FOR COOLER PIPE)
88897MGROMMET (FOR HEATER PIPE)
88899LPARTS, COOLING UNIT
88899MPLATE, COVER(FOR AIR FILTER)
8719387101
main87193-87101
9009140627
main90091-40627
9009900968
main90099-00968
9011906951
main90119-06951
9015960303
main90159-60303
9015960383
main90159-60383
9017906115
main90179-06115
9017906282
main90179-06282
43 parts on this diagram · 2 diagrams in section