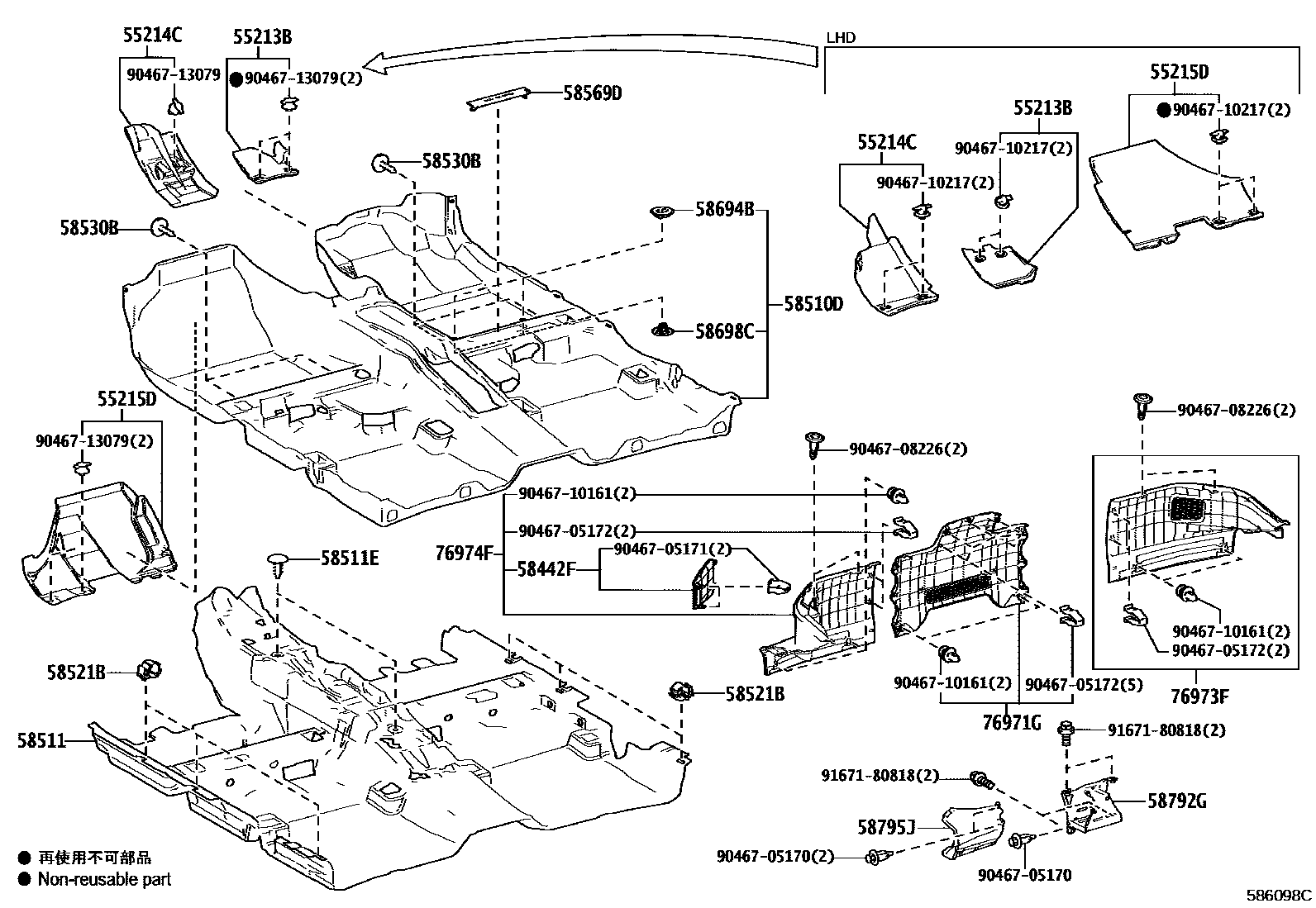
MAT & CARPET

55213BPAD, DASH PANEL INSULATOR, NO.1
55214CPAD, DASH PANEL INSULATOR, NO.2
55215DPAD, DASH PANEL INSULATOR, NO.3
58442FCOVER, JACK
58510DCARPET ASSY, FLOOR, FRONT
BLACK,TRIM1#,2#
BLACK,TRIM1#,2#
BLACK,TRIM1#,2#
58511ECLIP(FOR FRONT FLOOR MAT)
58521BHOOK, FLOOR CARPET
58530BCLIP(FOR FRONT FLOOR CARPET)
58569DCOVER, FRONT FLOOR CAUTION PLATE
58694BPLATE, MAT SET, UPPER
58698CPLATE, MAT SET, LOWER
58792GSUPPORT, JACK CARRIER
58795JTRIM, JACK HOUSE OPENING
76971GCOVER, REAR UNDER
BLACK,TRIM1#,2#
BLACK,TRIM1#,2#
76973FCOVER, REAR UNDER SIDE, RH
76974FCOVER, REAR UNDER SIDE, LH
9046705170
main90467-05170
9046705171
main90467-05171
9046705172
main90467-05172
9046708226
main90467-08226
9046710161
main90467-10161
9046710217
main90467-10217
9046713079
main90467-13079
9167180818
main91671-80818
25 parts on this diagram · 1 diagram in section