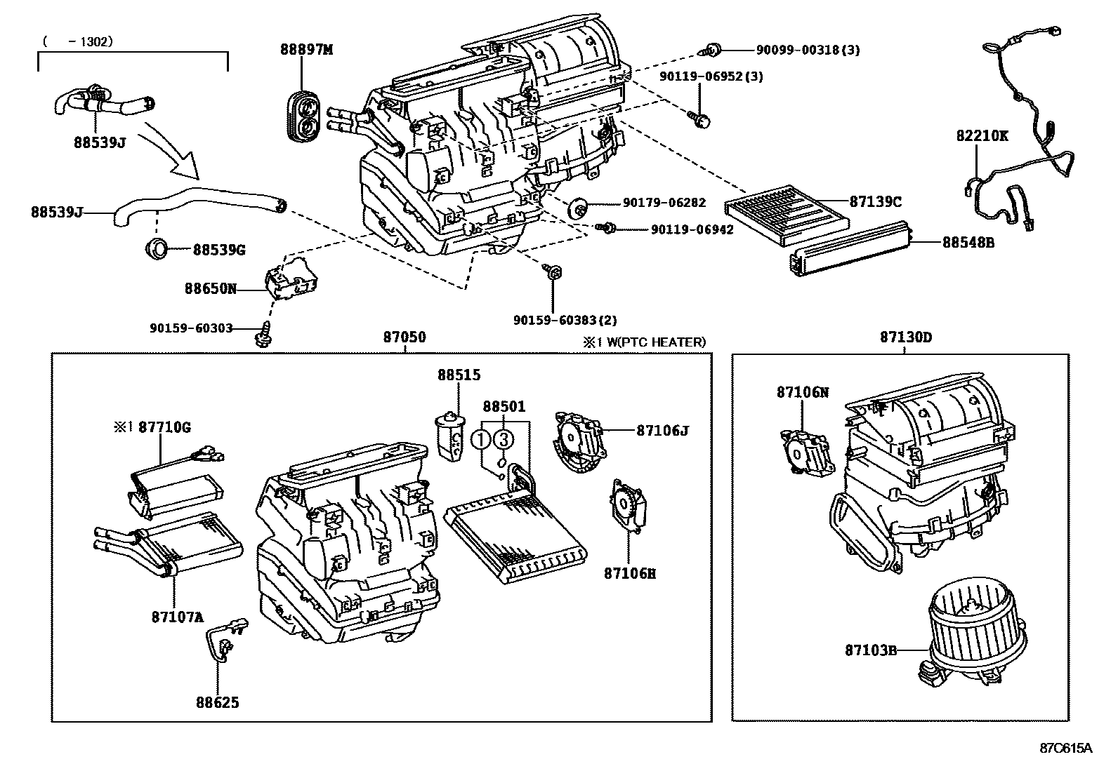
HEATING & AIR CONDITIONING - COOLER UNIT

82210KHARNESS ASSY, AIR CONDITIONER
87050RADIATOR ASSY, AIR CONDITIONER
COLD AREA SPEC
87106HSERVO SUB-ASSY, DAMPER(FOR AIRMIX)
87106JSERVO SUB-ASSY, DAMPER(FOR MODE)
87106NSERVO SUB-ASSY, DAMPER(FOR RECIRCULATION)
87107AUNIT SUB-ASSY, HEATER RADIATOR
87130DBLOWER ASSY
COLD AREA SPEC
87139CFILTER, CLEAN AIR
POLLEN FILTER
*DPF
POLLEN FILTER
87710GQUICK HEATER ASSY
COLD AREA SPEC
88501EVAPORATOR SUB-ASSY, COOLER, NO.1
88515VALVE, COOLER EXPANSION
88539GGROMMET (FOR COOLER UNIT DRAIN HOSE)
88539JHOSE, DRAIN COOLER
88625THERMISTOR, COOLER, NO.1
88650NAMPLIFIER ASSY, AIR CONDITIONER
COLD AREA SPEC
COLD AREA SPEC
COLD AREA SPEC
COLD AREA SPEC
88897MGROMMET (FOR HEATER PIPE)
9009900318
main90099-00318
9011906942
main90119-06942
9011906952
main90119-06952
9015960303
main90159-60303
9015960383
main90159-60383
9017906282
main90179-06282
24 parts on this diagram · 3 diagrams in section