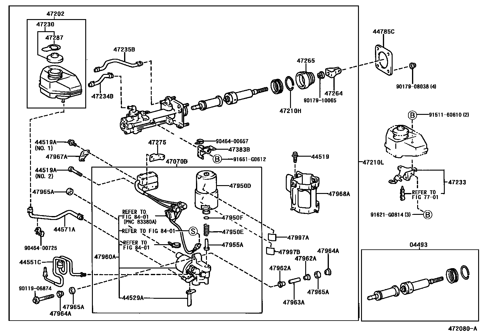
BRAKE MASTER CYLINDER

04493CYLINDER KIT, BRAKE MASTER
44519BOLT, BRAKE ACTUATOR
44519ABOLT(FOR BRAKE BOOSTER PUMP)
NO.1
NO.2
44529AHOSE, BRAKE ACTUATOR BREATHER
44551CTUBE, BRAKE ACTUATOR, NO.1
44785CGASKET, BRAKE BOOSTER
47070BPUMP ASSY, BRAKE BOOSTER W/ACCUMULATOR
47202RESERVOIR SUB-ASSY, BRAKE MASTER CYLINDER
47210HRING, SNAP(FOR BRAKE MASTER CYLINDER)
47210LBRAKE BOOSTER ASSY, W/MASTER CYLINDER
47230CAP ASSY, BRAKE MASTER CYLINDER RESERVOIR FILLER
47233BRACKET, RESERVOIR
47235BTUBE, BRAKE MASTER CYRINDER RESERVOIR, NO.2
47264CLEVIS, MASTER CYLINDER PUSH ROD
47265BOOT, MASTER CYLINDER
47275GASKET, BRAKE MASTER CYLINDER
47287LABEL, BRAKE FLUID INFORMATION
47950DACCUMULATOR ASSY, BRAKE BOOSTER
47950ESPRING, COMPRESSION(FOR BRAKE BOOSTER ACCUMULATOR)
47950FRING, O(FOR BRAKE BOOSTER ACCUMULATOR)
47955APIPE, BRAKE BOOSTER ACCUMULATOR
47960APUMP ASSY, BRAKE BOOSTER
47963ASHAFT, BRAKE BOOSTER PUMP
47964AWASHER, BRAKE BOOSTER PUMP
47965ABUSH, BRAKE BOOSTER PUMP
47967ABRACKET, BRAKE BOOSTER PUMP, NO.1
47968ABRACKET, BRAKE BOOSTER PUMP, NO.2
47997ALABEL, ACCUMULATOR CAUTION, NO.1
sub47997-48010
47997BLABEL, ACCUMULATOR CAUTION, NO,2
7701
8401
9011906874
main90119-06874
9017908038
main90179-08038
9017910065
main90179-10065
9046400657
main90464-00657
9046400725
main90464-00725
9151160610
main91511-60610
91621G0814
main91621-G0814
91651G0612
main91651-G0612
43 parts on this diagram · 2 diagrams in section