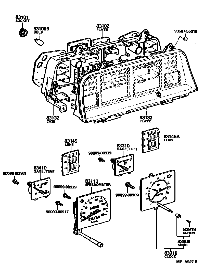
METER

83100BBULB, COMBINATION METER, NO.1
12V 1.2W W/O SOCKET
12V 3.4W
83101SOCKET SUB-ASSY, COMBINATION METER BULB
12V 3.4W
12V 1.4W
83102PLATE SUB-ASSY, COMBINATION METER CIRCUIT, NO.1
W/TACHOMETER
W/TACHOMETER
83110SPEEDOMETER ASSY
KM,W/TACHOMETER
KM
MILE(MAIN) & KM
KM
MILE(MAIN) & KM,W/TACHOMETER
KM
MILE(MAIN) & KM
KM
KM
MILE(MAIN) & KM
KM
MILE(MAIN) & KM
83132CASE, COMBINATION METER
W/TACHOMETER
W/TACHOMETER
W/TACHOMETER
83133PLATE, COMBINATION METER, NO.1
W/CLOCK
W/TACHOMETER,KM & MILE
W/CLOCK
W/TACHOMETER
MILE(MAIN) & KM
83145LENS, METER, NO.1
83145ALENS, METER, NO.2
83310GAGE ASSY, FUEL RECEIVER
W/TACHOMETER
W/TACHOMETER
83410GAGE ASSY, WATER TEMPERATURE RECEIVER
W/TACHOMETER
W/TACHOMETER
MIDDLE EAST COUNTRY SPEC
MIDDLE EAST COUNTRY SPEC
W/TACHOMETER
W/TACHOMETER
83909KNOB, CLOCK
DIGITAL
ANALOGUE
83910CLOCK ASSY
DIGITAL
ANALOGUE
ANALOGUE
ANALOGUE
83919SCREW, CLOCK
DIGITAL
ANALOGUE
9009900909
main90099-00909
9009900917
main90099-00917
9009900929
main90099-00929
9009900939
main90099-00939
9356755016
main93567-55016
18 parts on this diagram · 4 diagrams in section