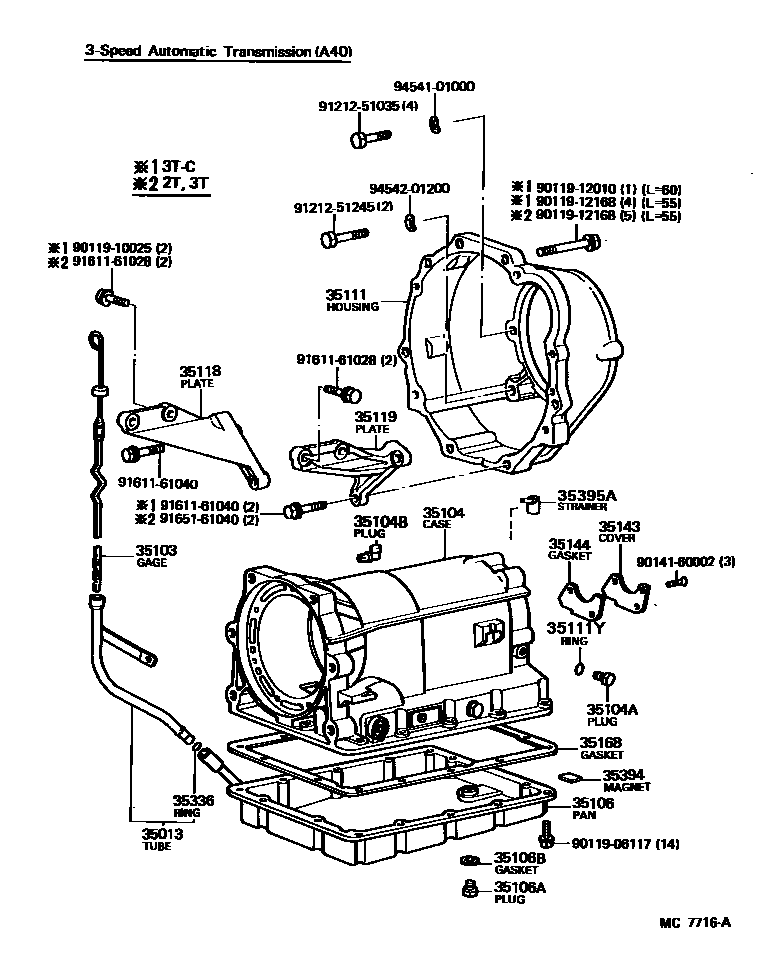
TRANSMISSION CASE & OIL PAN (ATM)

35013TUBE SUB-ASSY, TRANSMISSION OIL FILLER
35103GAGE SUB-ASSY, TRANSMISSION OIL LEVEL
35104CASE SUB-ASSY, AUTOMATIC TRANSMISSION
sub35104-22050
35104APLUG, AUTOMATIC TRANSMISSION CASE
35104BPLUG, BREATHER, NO.1 (ATM)
35106PAN SUB-ASSY, AUTOMATIC TRANSMISSION OIL
35106APLUG SUB-ASSY, DRAIN (ATM)
35106BGASKET, DRAIN PLUG (ATM)
35111HOUSING, AUTOMATIC TRANSMISSION
35111YRING, O (FOR AUTOMATIC TRANSMISSION CASE)
35118PLATE, STIFENER, RH (ATM)
35119PLATE, STIFENER, LH (ATM)
35143COVER, TRANSMISSION CASE, REAR
35144GASKET, TRANSMISSION CASE REAR COVER
35168GASKET, AUTOMATIC TRANSMISSION OIL PAN
35336RING, O (FOR TRANSMISSION OIL FILLER TUBE)
35394MAGNET, OIL CLEANER (FOR TRANSMISSION)
35395ASTRAINER, GOVERNOR OIL
9011906117
9011910025
9011912010
9011912168
9014160002
9121251035
9121251245
9161161028
9161161040
9165161040
9454101000
9454201200
30 parts on this diagram · 1 diagram in section