E
EPC Data

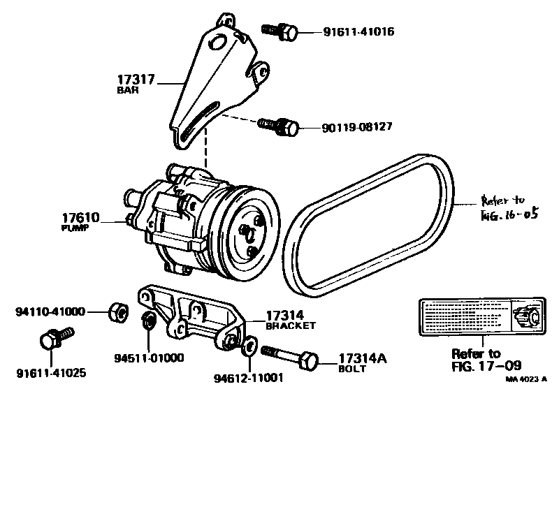
AIR PUMP

Parts diagram
1605
1709
17314BRACKET, AIR PUMP
main17314-26022i197908-198107
17314ABOLT, HEXAGON(FOR AIR PUMP BRACKET SETTING)
main90101-10402i197908-198107
17317BAR, AIR PUMP ADJUSTING, NO.1
main17317-26021i197908-198107
17610PUMP ASSY, AIR
main17610-26030i197908-198107
9011908127
9161141016
9161141025
9411041000
9451101000
9461211001

12 parts on this diagram · 1 diagram in section

AIR PUMP — Toyota Parts Diagram with OEM Numbers & Prices | EPC Data