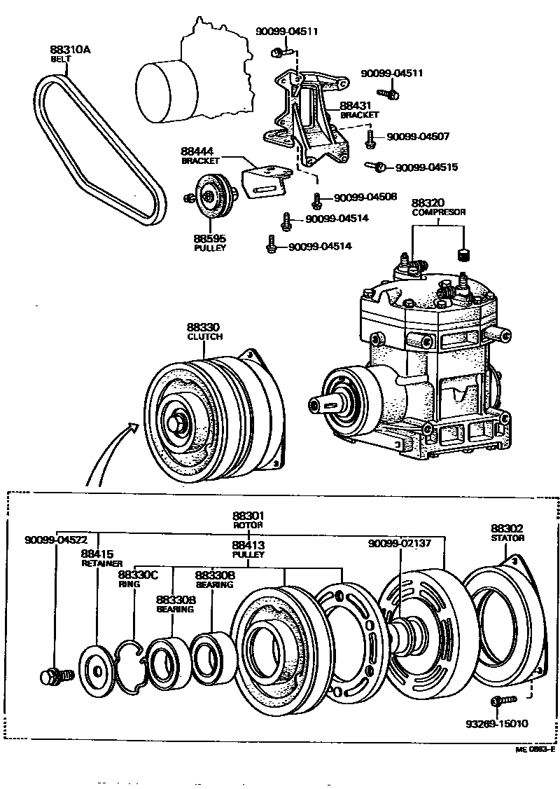
HEATING & AIR CONDITIONING - COMPRESSOR

88302STATOR SUB-ASSY, MAGNET CLUTCH
88310ABELT, V (COOLER COMPRESSOR TO CRANKSHAFT PULLEY), NO.1
sub99322-50940
sub99322-50950
sub90099-82006
88320COMPRESSOR ASSY, COOLER
88330CLUTCH ASSY, MAGNET
88330BBEARING, MAGNET CLUTCH
88330CRING, SNAP (FOR MAGNET CLUTCH)
88415RETAINER, MAGNET CLUTCH BEARING, NO.1
88431BRACKET, COMPRESSOR MOUNTING, NO.1
88444BRACKET, IDLE PULLEY
9009902137
main90099-02137
9009904507
main90099-04507
9009904508
main90099-04508
9009904511
main90099-04511
9009904514
main90099-04514
9009904515
main90099-04515
9009904522
main90099-04522
9326915010
main93269-15010
20 parts on this diagram · 3 diagrams in section