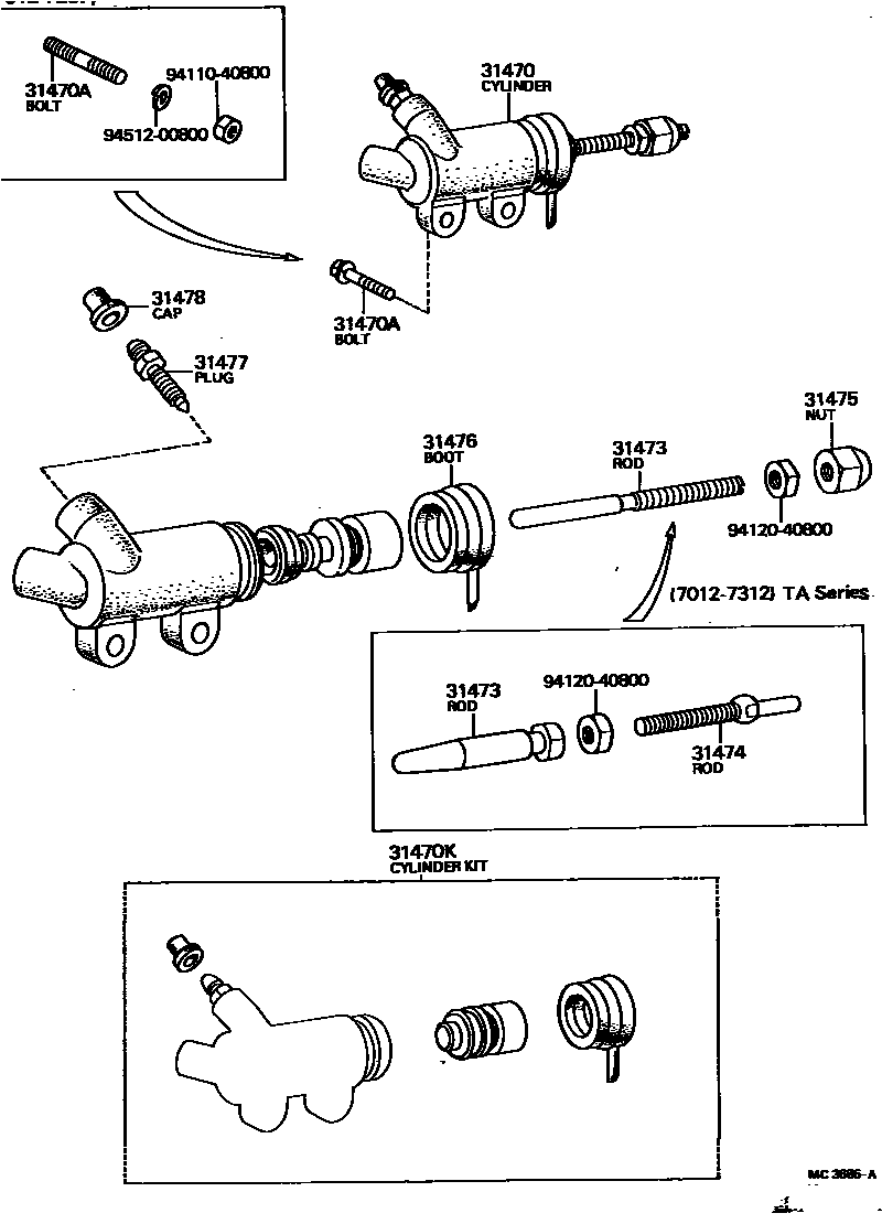
CLUTCH BOOSTER

31470ABOLT(FOR CLUTCH RELEASE CYLINDER SETTING)
L=37,S=14&14
31473ROD, CLUTCH RELEASE CYLINDER PUSH, NO.1
31474ROD, CLUTCH RELEASE CYLINDER PUSH, NO.2
31477PLUG, BLEEDER(FOR RELEASE CYLINDER)
31478CAP, BLEEDER PLUG(FOR RELEASE CYLINDER)
9411040800
main94110-40800
9412040800
main94120-40800
9451200800
main94512-00800
12 parts on this diagram · 1 diagram in section