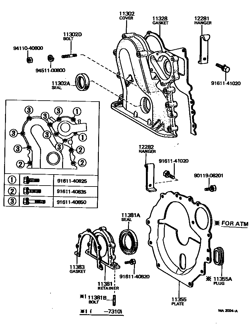
TIMING GEAR COVER & REAR END PLATE

11302ASEAL, OIL(FOR TIMING CHAIN OR BELT COVER)
11302DBOLT, STUD(FOR TIMING GEAR COVER)
L=29,S=13&13
11328GASKET, TIMING GEAR OR CHAIN COVER
sub11328-25011
11355APLUG, HOLE(FOR REAR END PLATE)
11381RETAINER, ENGINE REAR OIL SEAL
11381ASEAL, ENGINE REAR OIL
11381BBOLT, STUD(FOR ENGINE REAR OIL SEAL RETAINER)
L=29,S=13&13
11383GASKET, ENGINE REAR OIL SEAL RETAINER
12281HANGER, ENGINE, NO.1
12282HANGER, ENGINE, NO.2
9011908201
main90119-08201
9161140820
main91611-40820
9161140825
main91611-40825
9161140835
main91611-40835
9161140850
main91611-40850
9161141020
main91611-41020
9411040800
main94110-40800
9451100800
main94511-00800
20 parts on this diagram · 1 diagram in section