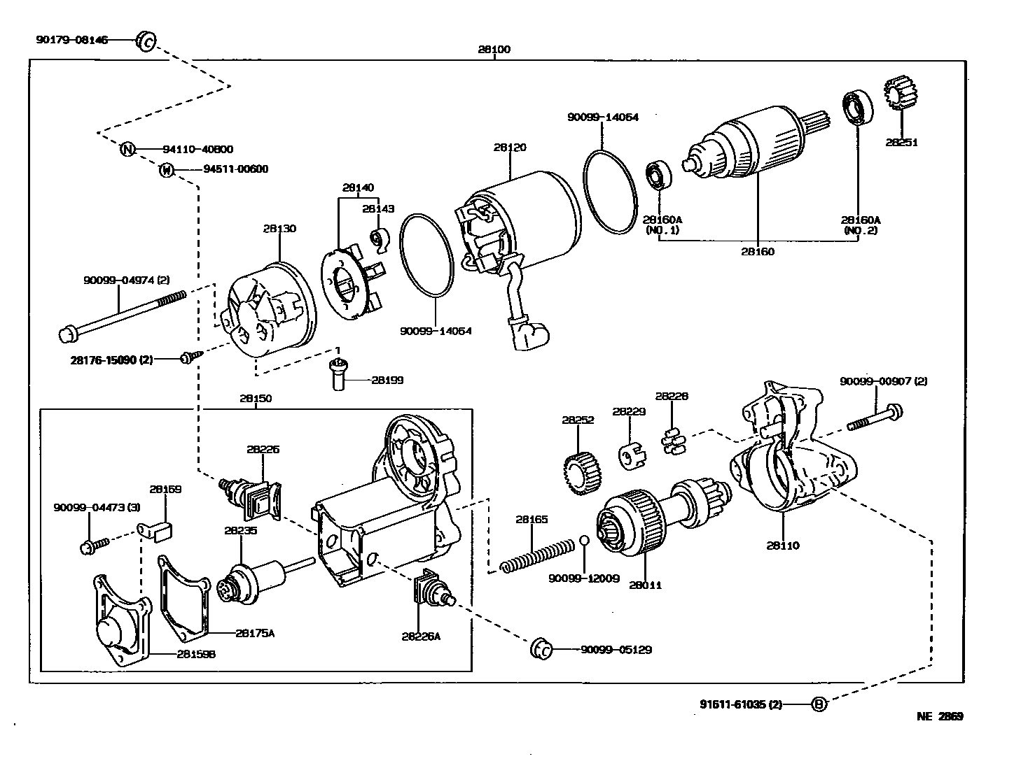
STARTER

28011CLUTCH SUB-ASSY, STARTER
COLD SPEC
COLD SPEC
28100STARTER ASSY
12V 1.4KW
12V 1.6KW
12V 1.4KW
28110HOUSING ASSY, STARTER DRIVE
COLD SPEC
28120YOKE ASSY, STARTER
28130FRAME ASSY, STARTER COMMUTATOR END
COLD SPEC
28140HOLDER ASSY, STARTER BRUSH
COLD SPEC
28143SPRING, STARTER BRUSH
28150SWITCH ASSY, MAGNET STARTER
COLD SPEC
28159BCOVER, MAGNET SWITCH
COLD SPEC
28160ARMATURE ASSY, STARTER
28160ABEARING, STARTER ARMATURE
COLD SPEC,NO.2
COLD SPEC,NO.1
NO.1
NO.2
COLD SPEC,NO.2
28165SPRING, STARTER MAGNET SWITCH RETURN
COLD SPEC
28169CLAMP, STARTER MOTOR LEAD WIRE
COLD SPEC
28175AGASKET, MAGNET SWITCH COVER
COLD SPEC
28199COVER, STARTER
COLD SPEC
28226STARTER KIT, BATTERY TERMINAL
COLD SPEC
28226ASTARTER KIT, MOTOR TERMINAL
COLD SPEC
28228ROLLER, STARTER IDLE GEAR CLUTCH
28229RETAINER, STARTER IDLE GEAR
COLD SPEC
28235PLUNGER, MAGNET SWITCH
COLD SPEC
28251PINION, STARTER DRIVE
28252GEAR, STARTER IDLE
COLD SPEC
2817615090SCREW, STARTER
main28176-15090
9009900907
main90099-00907
9009904473
main90099-04473
9009904974
main90099-04974
9009905129
main90099-05129
9009912009
main90099-12009
9009914064
main90099-14064
9017908146
main90179-08146
9161161035
main91611-61035
9411040800
main94110-40800
9451100600
main94511-00600
33 parts on this diagram · 2 diagrams in section