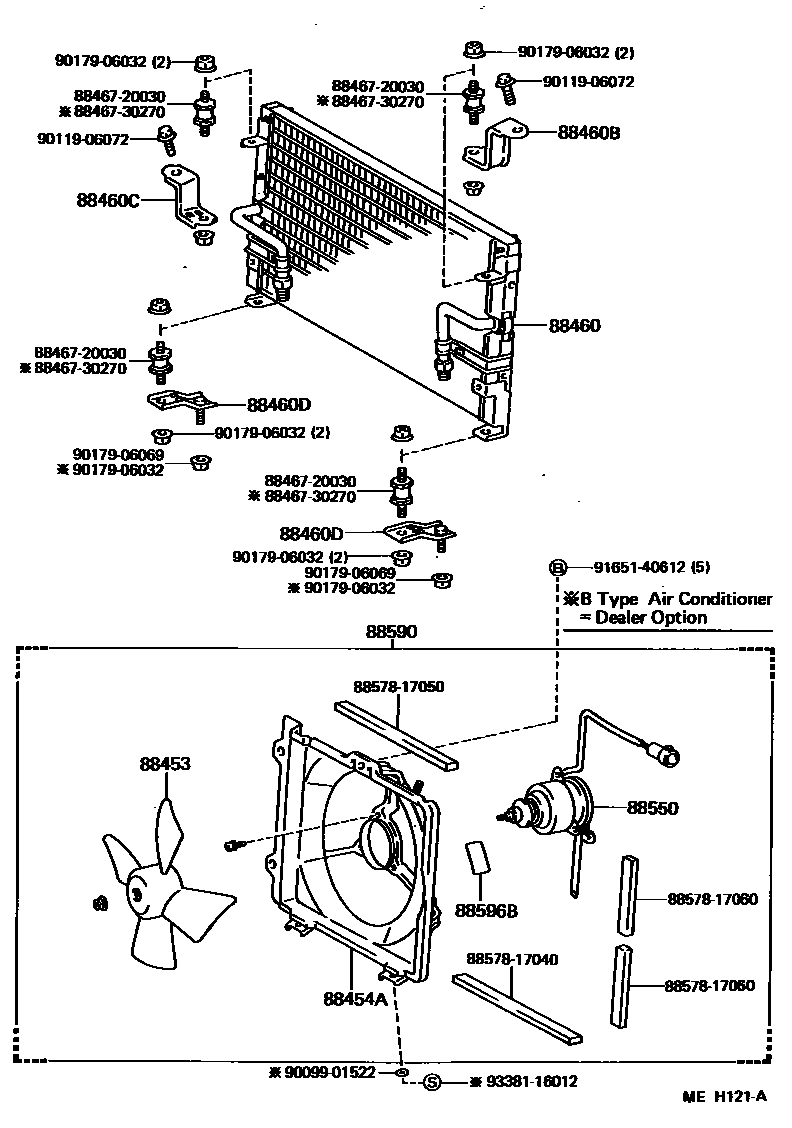
HEATING & AIR CONDITIONING - COOLER PIPING

88453FAN, COOLING (FOR CONDENSER)
88454ASHROUD, FAN
88460BBRACKET, COOLER CONDENSER, NO.1
88460CBRACKET, COOLER CONDENSER, NO.2
88460DBRACKET, COOLER CONDENSER, NO.3
RH
LH
88550MOTOR ASSY, BLOWER (FOR CONDENSER)
88590BLOWER ASSY, W/SHROUD
88596BPLATE, CAUTION, NO.1
8846720030CUSHION, COOLER CONDENSER, NO.1
main88467-20030
8846730270CUSHION, COOLER CONDENSER, NO.1
main88467-30270
8857817040PAKING, COOLER AIR DUCT
main88578-17040
8857817050PAKING, COOLER AIR DUCT
main88578-17050
8857817060PAKING, COOLER AIR DUCT
main88578-17060
9009901522
main90099-01522
9011906072
main90119-06072
9017906032
main90179-06032
9017906069
main90179-06069
9165140612
main91651-40612
9338116012
main93381-16012
20 parts on this diagram · 4 diagrams in section