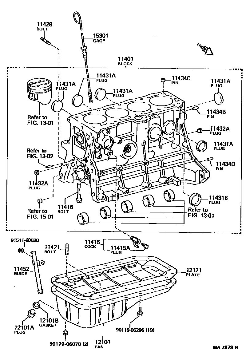
CYLINDER BLOCK

11415COCK SUB-ASSY, WATER DRAIN(FOR CYLINDER BLOCK)
sub90910-09129
11415APLUG, WATER DRAIN COCK(FOR CYLINDER BLOCK)
11416BOLT(FOR CRANKSHAFT BEARING CAP SET)
*10-1.25PX61-18
11421BOLT, STUD(FOR OIL PAN)
11429BOLT, STUD(FOR ALTERNATOR BRACKET)
11431APLUG, TIGHT, NO.1(FOR CYLINDER BLOCK)
11431BPLUG, TIGHT, NO.2(FOR CYLINDER BLOCK)
OD=40
11432APLUG, W/HEAD TAPER SCREW, NO.1
11434BPIN, STRAIGHT(FOR CLUTCH HOUSING SET)
L=22,OD=10
11434CPIN, STRAIGHT (FOR CYLINDER HEAD SET)
L=12,OD=13
11434DPIN, STRAIGHT(FOR ENGINE REAR OIL SEAL)
L=14,OD=6
11452GUIDE, OIL LEVEL GAGE
12101PAN SUB-ASSY, OIL
W/OIL COOLER OR COOLER
W(ENGINE OIL COOLER)
W(ENGINE OIL COOLER)
12101APLUG(FOR OIL PAN DRAIN)
12121PLATE, OIL PAN BAFFLE, NO.1
1301
1302
1501
15301GAGE SUB-ASSY, OIL LEVEL
9011906206
main90119-06206
9017906070
main90179-06070
9151160620
main91511-60620
24 parts on this diagram · 1 diagram in section