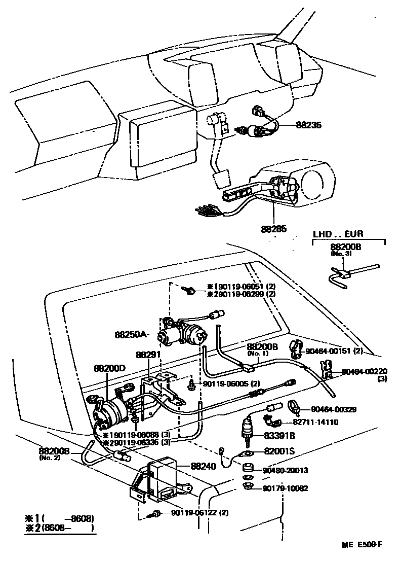
CRUISE CONTROL (AUTO DRIVE)

82001SCABLE, BOND
83391BSWITCH, AUTO DRIVE VACUUM
88200BHOSE, CRUISE CONTROL VACUUM
NO.1
W(AUTO DRIVE)
88235SWITCH ASSY, CRUISE CONTROL(AUTO DRIVE) RELEASE
88250APUMP ASSY, CRUISE CONTROL
88285SWITCH, CRUISE CONTROL
TOKAIRIKA
W(AUTO DRIVE),TOKAIRIKA
MATSUSHITA
W(AUTO DRIVE),MATSUSHITA
MATSUSHITA
MATSUSHITA
88291BRACKET, CRUISE CONTROL(AUTO DRIVE), NO.1
8271114110WIRE, FUSE TO FUSE(FOR COMBUSTION HEATER)
main82711-14110
9011906005
main90119-06005
9011906051
main90119-06051
9011906088
main90119-06088
9011906122
main90119-06122
9011906299
main90119-06299
9011906335
main90119-06335
9017910082
main90179-10082
9046400151
main90464-00151
9046400220
main90464-00220
9046400329
main90464-00329
9048020013
main90480-20013
21 parts on this diagram · 1 diagram in section