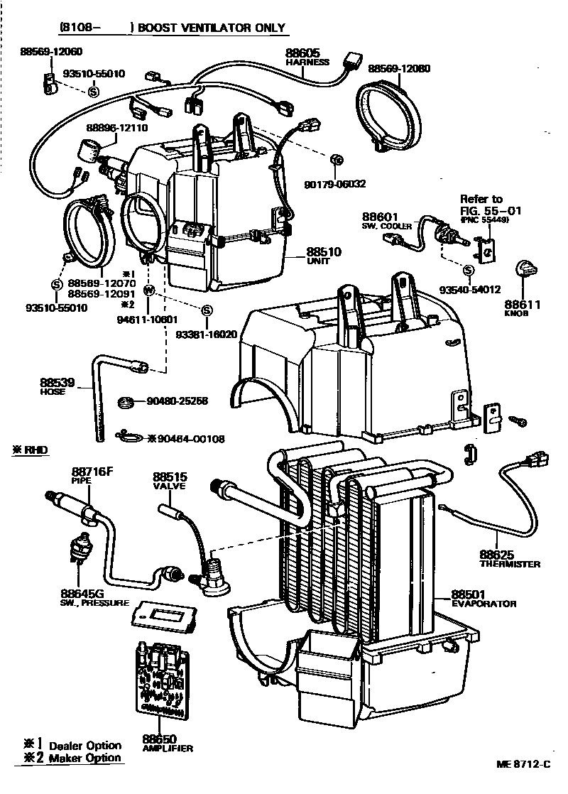
HEATING & AIR CONDITIONING - COOLER UNIT

5501
88501EVAPORATOR SUB-ASSY, COOLER, NO.1
sub88501-12233
BOOST VENTILATOR ONLY
sub88501-12242
sub88501-12262
88510UNIT ASSY, COOLER
sub88510-12252
sub88510-12261
sub88510-12272
sub88510-12281
BOOST VENTILATOR ONLY
sub88510-12331
BOOST VENTILATOR ONLY
sub88510-12501
BOOST VENTILATOR ONLY
sub88510-12711
88601SWITCH SUB-ASSY, COOLER CONTROL
AIR MIX HEATER
AIR MIX HEATER
BOOST VENTILATOR ONLY
BOOST VENTILATOR ONLY
88605HARNESS SUB-ASSY, COOLER WIRING, NO.1
BOOST VENTILATOR ONLY
BOOST VENTILATOR ONLY
88611KNOB, COOLER CONTROL SWITCH
BOOST VENTILATOR ONLY
BOOST VENTILATOR ONLY
88645GSWITCH, PRESSURE
BOOST VENTILATOR ONLY
BOOST VENTILATOR ONLY
88650AMPLIFIER ASSY, COOLER STABILIZER
88716FPIPE, COOLER REFRIGERANT LIQUID, F
BOOST VENTILATOR ONLY
8856912060CLAMP (FOR COOLER RELAY)
main88569-12060
8856912070CLAMP (FOR COOLER RELAY)
main88569-12070
8856912080CLAMP (FOR COOLER RELAY)
main88569-12080
8856912091CLAMP (FOR COOLER RELAY)
main88569-12091
8889612110PLATE, COOLER AIR OUTLET GRILLE ORNAMENT
main88896-12110
9017906032
main90179-06032
9046400108
main90464-00108
9048025258
main90480-25258
9338116020
main93381-16020
9351055010
main93510-55010
9354054012
main93540-54012
9461110601
main94611-10601
24 parts on this diagram · 3 diagrams in section