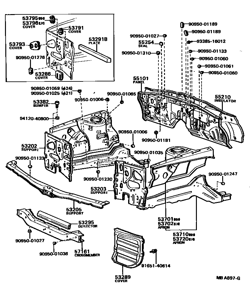
FRONT FENDER APRON & DASH PANEL

53202SUPPORT SUB-ASSY, RADIATOR, RH
53203SUPPORT SUB-ASSY, RADIATOR, LH
53205SUPPORT SUB-ASSY, RADIATOR, UPPER
53286COVER, FRONT BUMPER ARM HOLE
53289COVER, RADIATOR SIDE BAFFLE
53291BPLATE, RADIATOR COVER
53295DEFLECTOR, RADIATOR LOWER AIR
53382BUMPER, HOOD, FRONT
53702APRON SUB-ASSY, FRONT FENDER, LH
W/URETHANE BUMPER
W/AIR INTAKE DUCT
sub53702-12913
sub53702-12913
sub53702-12913
53710APRON ASSY, W/FRONT SIDE MEMBER, RH
W/URETHANE BUMPER
W/URETHANE BUMPER
SAUDI ARABIA SPEC
W/URETHANE BUMPER
SAUDI ARABIA SPEC
W/URETHANE BUMPER
W/URETHANE BUMPER
COLD SPEC
W/55D23L BATTERY
53720APRON ASSY, W/FRONT SIDE MEMBER, LH
W/URETHANE BUMPER
W/URETHANE BUMPER
sub53702-12420
W/AIR INTAKE DUCT
W/URETHANE BUMPER
W/55D23L BATTERY
sub53702-12320
W/AIR INTAKE DUCT
SAUDI ARABIA SPEC
W/URETHANE BUMPER
SAUDI ARABIA SPEC
W/URETHANE BUMPER
W/AIR INTAKE DUCT
W/URETHANE BUMPER
W/URETHANE BUMPER,AIR DUCT
53791COVER, COOL AIR INTAKE HOLE
LH
COLD SPEC
RH
53793COVER, HEADLAMP WIRE HARNESS HOLE, NO.1
53795COVER, HEADLAMP WIRE HARNESS HOLE, RH
53796COVER, HEADLAMP WIRE HARNESS HOLE, LH
55210INSULATOR ASSY, DASH PANEL
main55210-12120iKE70..RHD..(3FC,5F);KE70..RHD..STD..EUG;KE70..RHD..4F..4D..(DX,STD)¥7,600197908-198707
55254SEAL, CLUTCH WIRE HOLE
57161CROSSMEMBER, FRONT
9095001006
9095001025
9095001027
9095001035
main90950-01035
9095001036
9095001059
9095001060
9095001061
9095001065
9095001133
9095001181
9095001189
9095001230
9095001247
9095001276
9095001310
9165140614
9338516012
9412040800
39 parts on this diagram · 2 diagrams in section