E
EPC Data

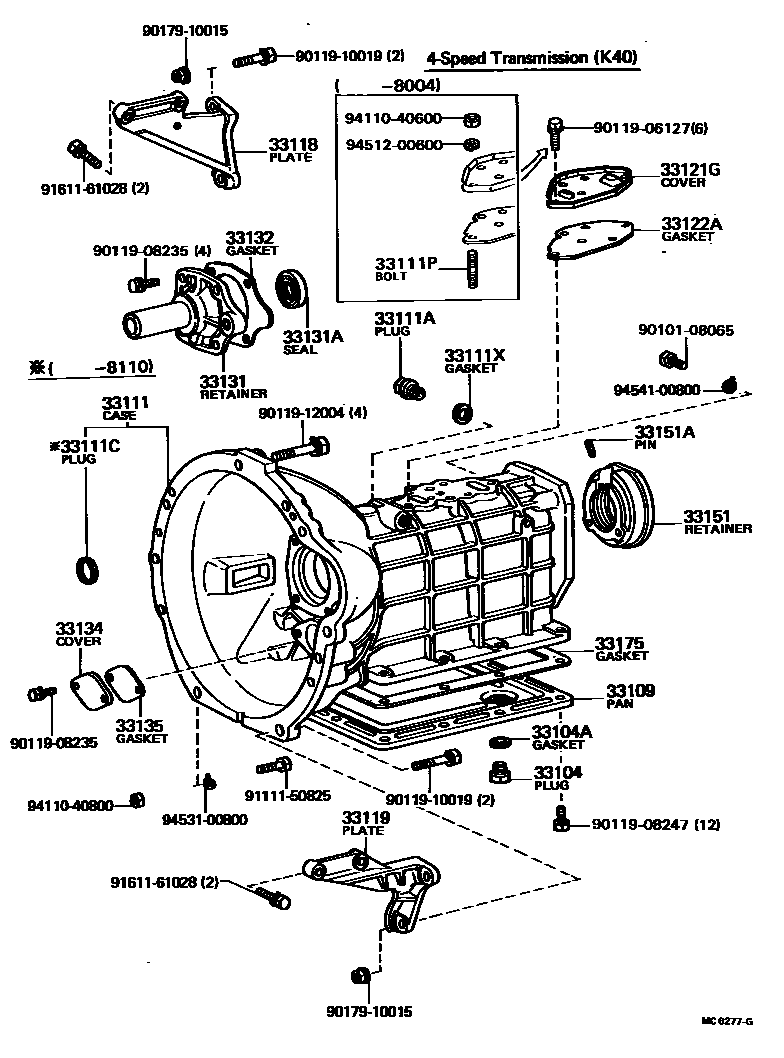
CLUTCH HOUSING & TRANSMISSION CASE (MTM)

Parts diagram
33104PLUG SUB-ASSY, DRAIN(MTM)
main90341-18057i197908-198707
main90341-18081i197908-198707
33104AGASKET, DRAIN PLUG(MTM)
main12157-10010i197908-198108
main90430-18007i198108-198408
main90430-18008i198408-198707
33109PAN SUB-ASSY, TRANSMISSION OIL(MTM)
main33109-12011i197908-198707
33111CASE, MANUAL TRANSMISSION
main33101-12080i197908-198707
main33101-12100i197908-198108
main33101-14030i197908-198106
main33101-14040i198106-198608
main33101-14051i198608-198707
main33101-22030i198508-198707
main33101-30021i198210-198508
main33111-10050i198208-198707
main33111-10060i198208-198707
main33111-12110i197908-198009
main33111-12111i198009-198208
33111APLUG, MANUAL TRANSMISSION CASE
main90341-18002i197908-198707
main90341-18006i198210-198707
33111CPLUG(FOR TRANSMISSION CASE)
main90331-14004i198508-198707
OD=14
main90331-20044i198210-198508
main96411-11400i197908-198110
33111PBOLT, STUD(FOR TRANSMISSION CASE COVER SETTING)
main90116-06200i197908-198004
33111XGASKET, TRANSMISSION CASE PLUG
main12157-10010i197908-198108
main90430-18007i198108-198408
main90430-18008i198408-198707
33118PLATE, STIFFENER, RH(MTM)
main33118-12020i197908-198502
main33118-12080i197908-198707
main33118-14030i198210-198410
main33118-14031i198410-198508
main33118-14032i198508-198607
main33118-14033i198607-198707
main33118-14040i198305-198707
33119PLATE, STIFFENER, LH(MTM)
main33119-12011i197908-198502
main33119-12050i197908-198707
main33119-12081i198305-198707
main33119-14050i198210-198707
33121GCOVER, MANUAL TRANSMISSION CASE
main33121-12010i198108-198410
main33121-12020i197908-198707
main33121-12031i197908-198707
main33121-14010i197908-198707
33122AGASKET, MANUAL TRANSMISSION CASE COVER
main33122-12010i198108-198410
main33122-12020i197908-198707
main33122-12031i197908-198707
main33122-14010i197908-198707
33131RETAINER, BEARING, FRONT(MTM)
main33131-12031i198001-198707
main33131-12040i197908-198001
main33131-12050i197908-198707
main33131-14010i197908-198106
main33131-14020i198106-198707
main33131-22020i198508-198707
main33131-31010i198210-198508
33131ASEAL, OIL(FOR TRANSMISSION FRONT BEARING RETAINER)
main90311-25003i197908-198707
main90311-30115i198210-198707
33132GASKET, FRONT BEARING RETAINER(MTM)
main33132-12030i197908-198707
T=0.5
main33132-12050i197908-198707
main33132-14010i197908-198106
main33132-14020i198106-198707
main33132-22010i198508-198707
main33133-12030i197908-198707
T=0.3
33134COVER, TRANSMISSION COUNTERSHAFT
main33134-12010i197908-198707
33135GASKET, COUNTERSHAFT COVER(MTM)
main33135-12010i197908-198707
33151RETAINER, OUTPUT SHAFT REAR BEARING(MTM)
main33107-22010i198508-198707
main33151-12010i197908-198707
main33151-20010i198210-198508
33151APIN, SLOTTED SPRING(FOR OUTPUT SHAFT REAR BEARING RETAINER)
main90254-05005i197908-198707
33175GASKET, MANUAL TRANSMISSION OIL PAN
main33175-12010i197908-198707
9010108065
9011906127
9011908235
9011908247
9011910019
9011912004
9017910015
9111150825
9161161028
9411040600
9411040800
9451200600
9453100800
9454100800

34 parts on this diagram · 6 diagrams in section

CLUTCH HOUSING & TRANSMISSION CASE (MTM) — Toyota Parts Diagram with OEM Numbers & Prices | EPC Data