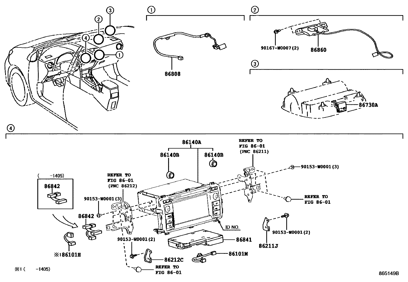
NAVIGATION & FRONT MONITOR DISPLAY

8601
86101HCORD SUB-ASSY, ANTENNA
TURKEY SPEC&AUDIO-W(*NS(*HGE))&*BT&USB&DAB&6SPEAKER
86101MCORD SUB-ASSY, ANTENNA
TURKEY SPEC&AUDIO-W(*NS(*HGE))&*BT&USB&DAB&6SPEAKER
TURKEY SPEC&AUDIO-W(*NS(*HGE))&*BT&USB&DAB&6SPEAKER
86140ARECEIVER ASSY, RADIO & DISPLAY
PANASONIC,ID=59019,AUDIO-*DA&*BT&USB&JBL&9SPEAKER
PANASONIC,ID=59020,AUDIO-W(*NS(*HGE))&*BT&USB&DAB&6SPEAKER
PANASONIC,ID=59018,AUDIO-W(*NS(*EXB))&*BT&USB&DAB&JBL&9SPEAKER
PANASONIC,AUDIO-W(*NS(*HGE))&*BT&USB&6SPEAKER
PANASONIC,AUDIO-*DA&*BT&USB&JBL&9SPEAKER
PANASONIC,AUDIO-W(*NS(*EXB))&*BT&USB&JBL&6SPEAKER
PANASONIC,AUDIO-*DA&*BT&USB&DAB&6SPEAKER
PANASONIC,AUDIO-W(*NS(*EXB))&*BT&USB&DAB&6SPEAKER
PANASONIC,AUDIO-*DA&*BT&USB&DAB&JBL&6SPEAKER
PANASONIC,AUDIO-W(*NS(*EXB))&*BT&USB&DAB&JBL&9SPEAKER
PANASONIC,ID=510083,AUDIO-*DA & DAB & 6SPEAKER
PANASONIC,ID=510084,AUDIO-*DA & 6SPEAKER & NAVIGATION(*VCS)
PANASONIC,ID=510085,AUDIO-*DA & JBL & 6SPEAKER & NAVIGATION(*VCS)
PANASONIC,ID=510086,AUDIO-*DA & DAB & 6SPEAKER & NAVIGATION
PANASONIC,ID=510087,AUDIO-*DA,DAB,JBL,6SPEAKER,NAVIGATION(*VCS)
86140BKNOB, RADIO & DISPLAY RECEIVER SWITCH
86211JBRACKET, RADIO RECEIVER, NO.1
TURKEY SPEC&AUDIO-W(*NS(*HGE))&*BT&USB&DAB&6SPEAKER
86212CBRACKET, RADIO RECEIVER, NO.2
TURKEY SPEC&AUDIO-W(*NS(*HGE))&*BT&USB&DAB&6SPEAKER
86730AMICROPHONE ASSY, TELEPHONE
86808CORD SUB-ASSY, NAVIGATION ANTENNA, NO.1
AUDIO-W(*NS(*EXB))&*BT&USB&6SPEAKER
AUDIO-*DA & DAB & 6SPEAKER & NAVIGATION(*VCS)
86841COMPUTER, NAVIGATION
TURKEY SPEC&AUDIO-W(*NS(*EXB))&*BT&USB&DAB&6SPEAKER
TURKEY SPEC&AUDIO-W(*NS(*EXB))&*BT&USB&6SPEAKER
AUDIO-W(*NS(*HGE))&*BT&USB&DAB&6SPEAKER
AUDIO-*DA & JBL & 6SPEAKER & NAVIGATION(*VCS)
TURKEY SPEC&AUDIO-W(*NS(*HGE))&*BT&USB&DAB&6SPEAKER
TURKEY SPEC&AUDIO-W(*NS(*HGE))&*BT&USB&DAB&6SPEAKER
EMV & NAVIGATION SYSTEM-EXTENSION BOX(WESTERN EUROPE)
EMV & NAVIGATION SYSTEM-EXTENSION BOX(*VCS & WESTERN EUROPE)
EMV & NAVIGATION SYSTEM-EXTENSION BOX(EASTERN EUROPE)
EMV & NAVIGATION SYSTEM-EXTENSION BOX(*VCS & EASTERN EUROPE)
AUDIO-W(*NS(*EXB))&*BT&USB&DAB&JBL&9SPEAKER
AUDIO-*DA & DAB & 6SPEAKER & NAVIGATION
AUDIO-W(*NS(*EXB))&*BT&USB&DAB&JBL&9SPEAKER
AUDIO-W(*NS(*EXB))&*BT&USB&DAB&JBL&9SPEAKER
AUDIO-W(*NS(*EXB))&*BT&USB&DAB&JBL&9SPEAKER
sub86840-YY133
AUDIO-W(*NS(*HGE))&*BT&USB&DAB&6SPEAKER
AUDIO-W(*NS(*HGE))&*BT&USB&DAB&6SPEAKER
AUDIO-W(*NS(*HGE))&*BT&USB&DAB&6SPEAKER
sub86840-YY143
TURKEY SPEC&AUDIO-W(*NS(*HGE))&*BT&USB&DAB&6SPEAKER
86842WIRE, NAVIGATION, NO.1
TURKEY SPEC&AUDIO-W(*NS(*HGE))&*BT&USB&DAB&6SPEAKER
TURKEY SPEC&AUDIO-W(*NS(*HGE))&*BT&USB&DAB&6SPEAKER
86860ANTENNA ASSY, NAVIGATION
AUDIO-*DA & DAB & 6SPEAKER & NAVIGATION(*VCS)
90153W0001
main90153-W0001
90167W0007
main90167-W0007
14 parts on this diagram · 2 diagrams in section