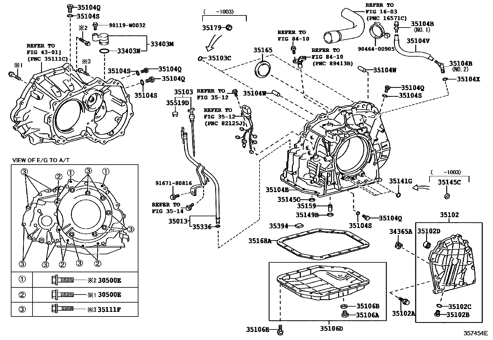
TRANSMISSION CASE & OIL PAN (ATM)

1603
30500EBOLT(FOR TRANSAXLE & ENGINE SETTING)
*10-1.25PX45-30
33403MCOVER SUB-ASSY, SPEEDOMETER DRIVEN HOLE (ATM)
33403NRING, O (FOR ATM SPEEDOMETER DRIVEN HOLE COVER)
34365ARETAINER, OUTER RACE
35013TUBE SUB-ASSY, TRANSMISSION OIL FILLER
35102COVER SUB-ASSY, TRANSAXLE REAR
35102ABOLT (FOR TRANSAXLE REAR COVER SETTING)
*8-1.25PX28-20
35102BPLUG(FOR TRANSAXLE REAR COVER)
35102CRING, O(FOR TRANSAXLE REAR COVER PULG)
35102DBEARING, NEEDLE ROLLER(FOR TRANSAXLE REAR COVER)
35103GAGE SUB-ASSY, TRANSMISSION OIL LEVEL
35103CRING, O
35104BPLUG, BREATHER, NO.1 (ATM)
NO.1
NO.2
35104ECASE SUB-ASSY, AUTOMATIC TRANSAXLE
35104QPLUG, NO.1 (FOR TRANSAXLE CASE)
35104SRING, O (FOR TRANSAXLE CASE PLUG NO.1)
35104VHOSE (FOR BREATHER PLUG)
35104WPIN, STRAIGHT (FOR TRANSAXLE CASE)
35104XRING, O (FOR BREATHER PLUG)
35106APLUG SUB-ASSY, DRAIN (ATM)
35106BGASKET, DRAIN PLUG (ATM)
35106DPAN SUB-ASSY, AUTOMATIC TRANSAXLE OIL
35106EBOLT (FOR TRANSAXLE OIL PAN)
35111FBOLT (FOR TRANSAXLE HOUSING & TRANSAXLE CASE SETTING)
*8-1.25PX30-25
3512
3514
35141GRING, O (FOR AUTOMATIC TRANSMISSION CASE)
35145CGASKET, TRANSAXLE CASE
35149BGASKET, TRANSAXLE CASE 2ND BRAKE
35159GASKET, BRAKE DRUM
35165PLATE, TRANSMISSION CASE, NO.1
35168AGASKET, AUTOMATIC TRANSAXLE OIL PAN
35179GASKET, OVERDRIVE BRAKE
35336RING, O (FOR TRANSMISSION OIL FILLER TUBE)
35394MAGNET, OIL CLEANER (FOR TRANSMISSION)
35519DLABEL, AUTOMATIC TRANSMISSION INFORMATION
4301
8410
90119W0032
9046400905
9167180816
42 parts on this diagram · 1 diagram in section