NAVIGATION & FRONT MONITOR DISPLAY

8601
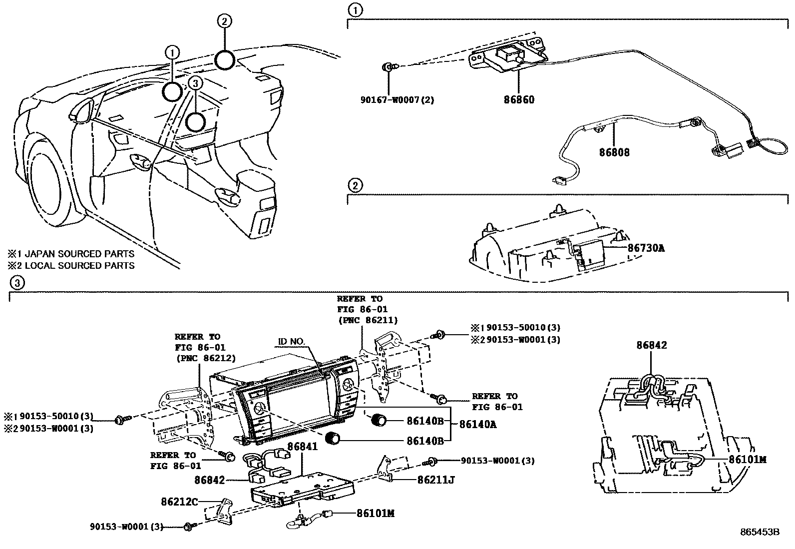
86101MCORD SUB-ASSY, ANTENNA
86140ARECEIVER ASSY, RADIO & DISPLAY
PANASONIC,ID=510187,IRAQ SPEC&LIGHT GRADE
PANASONIC,ID=510187,LIGHT GRADE
PANASONIC,ID=510187,AUDIO(OVERSEAS MARKET)-*DA & CD & *BT & USB & 6SPEAKER
PANASONIC,ID=510187
86140BKNOB, RADIO & DISPLAY RECEIVER SWITCH
86211JBRACKET, RADIO RECEIVER, NO.1
86212CBRACKET, RADIO RECEIVER, NO.2
86730AMICROPHONE ASSY, TELEPHONE
STEERING SWITCH-AUDIO & DISP SWITCH ONLY
STEERING SWITCH-WITHOUT
AUDIO-RADIOLESS 6SPEAKER
AUDIO-RADIOLESS & SPEAKERLESS
AUDIO-EXTRA & CD & USB & 6SPEAKER
AUDIO(OVERSEAS MARKET)-RADIOLESS & SPEAKERLESS
AUDIO(OVERSEAS MARKET)-CD & USB & 6SPEAKER&MAYDAY SYSTEM-WITHOUT
MAYDAY SYSTEM-WITHOUT
AUDIO(OVERSEAS MARKET)-RADIOLESS 4SPEAKER&MAYDAY SYSTEM-WITHOUT
AUDIO-RADIOLESS & SPEAKERLESS
AUDIO-EXTRA & CD & USB & 6SPEAKER
AUDIO-RADIOLESS 6SPEAKER
AUDIO(OVERSEAS MARKET)-RADIOLESS & SPEAKERLESS
86841COMPUTER, NAVIGATION
main86840-02011
main86840-02012
main86840-0W013
main86840-02013
main86840-02014
main86840-0F020
main86840-0F040
86842WIRE, NAVIGATION, NO.1
main86842-12010
9015350010
main90153-50010
90153W0001
main90153-W0001
90167W0007
main90167-W0007
14 parts on this diagram · 2 diagrams in section