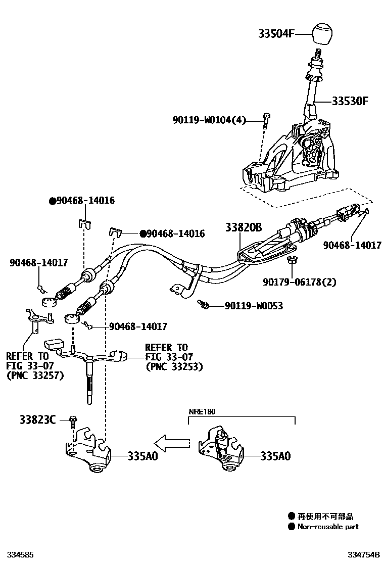
SHIFT LEVER & RETAINER

3307
33504FKNOB SUB-ASSY, SHIFT LEVER
EU BLACK,TRIM0#,2#
BLACK,TRIM0#,2#
STEERING WHEEL-3-SPOKE,LEATHER,BLACK & BLACK ME.,TRIM0#,2#
EU BLACK & BLACK ME.,TRIM0#,2#
BLACK & MD.SILVER,TRIM0#,2#
EU BLACK & MD.SILVER,TRIM0#,2#
BLACK,TRIM0#,2#
BLACK & 21GY18,TRIM0#,2#
BLACK,TRIM0#,2#
BLACK,TRIM0#,2#
33530FLEVER ASSY, SHIFT (FOR FLOOR SHIFT)
335A0BRACKET ASSY, CONTROL CABLE
33823BRACKET, TRANSMISSION CONTROL CABLE, NO.1
33823CBOLT (FOR TRANSMISSION CONTROL CABLE BRACKET)
(J)
(J)
(L)
90119W0053
main90119-W0053
90119W0104
main90119-W0104
9017906178
main90179-06178
9046814016
main90468-14016
9046814017
main90468-14017
12 parts on this diagram · 6 diagrams in section