E
EPC Data

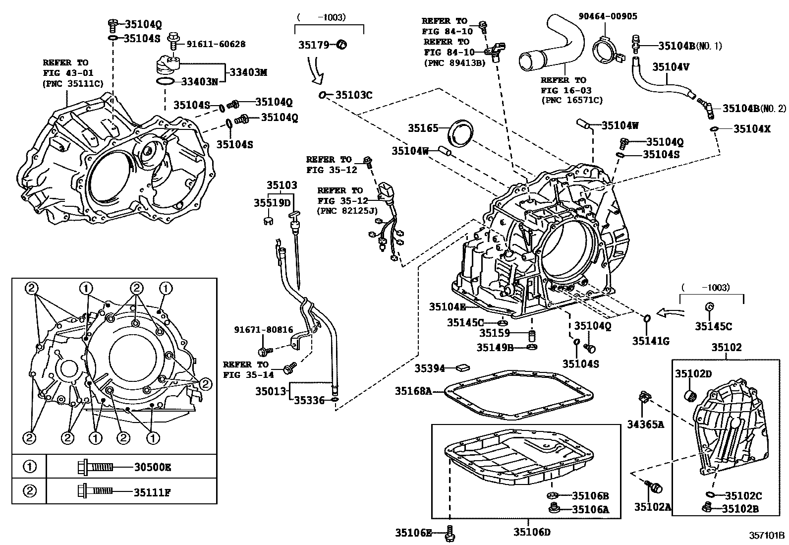
TRANSMISSION CASE & OIL PAN (ATM)

Parts diagram
1603
30500EBOLT(FOR TRANSAXLE & ENGINE SETTING)
main91612-61045i¥120200902
*10-1.25PX45-30
33403MCOVER SUB-ASSY, SPEEDOMETER DRIVEN HOLE (ATM)
main33403-20230i¥1,180200902
33403NRING, O (FOR ATM SPEEDOMETER DRIVEN HOLE COVER)
main96711-24018i¥160200902
34365ARETAINER, OUTER RACE
main34365-52012i¥50200902
35013TUBE SUB-ASSY, TRANSMISSION OIL FILLER
main35013-12630i200902
35102COVER SUB-ASSY, TRANSAXLE REAR
main35102-52020i¥16,900200902
35102ABOLT (FOR TRANSAXLE REAR COVER SETTING)
main90105-08365i¥90200902
*8-1.25PX28-20
35102BPLUG(FOR TRANSAXLE REAR COVER)
main90341-08001i¥120200902
35102CRING, O(FOR TRANSAXLE REAR COVER PULG)
main90301-06196i¥170200902
35102DBEARING, NEEDLE ROLLER(FOR TRANSAXLE REAR COVER)
main90364-14007i¥800200902
35103GAGE SUB-ASSY, TRANSMISSION OIL LEVEL
main35103-12490i200902
35103CRING, O
main90301-06008i¥220201003-201006
35104BPLUG, BREATHER, NO.1 (ATM)
main90930-03149i¥220200902
NO.1
main90930-03166i¥300200902
NO.2
35104ECASE SUB-ASSY, AUTOMATIC TRANSAXLE
main35104-52031i¥92,300200902-201003
sub35104-52032¥64,000
sub90301-06008¥220
sub90301-10189¥170
main35104-52032i¥64,000201003-201006
35104QPLUG, NO.1 (FOR TRANSAXLE CASE)
main90341-08001i¥120200902
35104SRING, O (FOR TRANSAXLE CASE PLUG NO.1)
main90301-06196i¥170200902
35104VHOSE (FOR BREATHER PLUG)
main35121-12070i200902
35104WPIN, STRAIGHT (FOR TRANSAXLE CASE)
main90250-10017i¥130200902
35104XRING, O (FOR BREATHER PLUG)
main90301-06005i¥170200902
35106APLUG SUB-ASSY, DRAIN (ATM)
main90341-18016i¥190200902
35106BGASKET, DRAIN PLUG (ATM)
main90430-18008i¥110200902
35106DPAN SUB-ASSY, AUTOMATIC TRANSAXLE OIL
main35106-52020i¥3,130200902
35106EBOLT (FOR TRANSAXLE OIL PAN)
main90119-06173i¥80200902
35111FBOLT (FOR TRANSAXLE HOUSING & TRANSAXLE CASE SETTING)
main90105-08071i¥80200902
*8-1.25PX30-25
3512
3514
35141GRING, O (FOR AUTOMATIC TRANSMISSION CASE)
main90301-10189i¥170201003-201006
35145CGASKET, TRANSAXLE CASE
main35145-21010i¥310200902-201006
35149BGASKET, TRANSAXLE CASE 2ND BRAKE
main35149-21010i¥310200902
35159GASKET, BRAKE DRUM
main35159-21010i¥530200902
35165PLATE, TRANSMISSION CASE, NO.1
main35165-52030i¥240200902
35168AGASKET, AUTOMATIC TRANSAXLE OIL PAN
main35168-52020i¥580200902
35179GASKET, OVERDRIVE BRAKE
main35179-32010i¥680200902-201003
35336RING, O (FOR TRANSMISSION OIL FILLER TUBE)
main90301-09173i¥140200902
35394MAGNET, OIL CLEANER (FOR TRANSMISSION)
main35394-30011i¥360200902
35519DLABEL, AUTOMATIC TRANSMISSION INFORMATION
main35519-41010i¥340200902
4301
8410
9046400905
main90464-00905¥230
9161160628
main91611-60628¥120
9167180816
main91671-80816¥80

42 parts on this diagram · 1 diagram in section

TRANSMISSION CASE & OIL PAN (ATM) — Toyota Parts Diagram with OEM Numbers & Prices | EPC Data