E
EPC Data

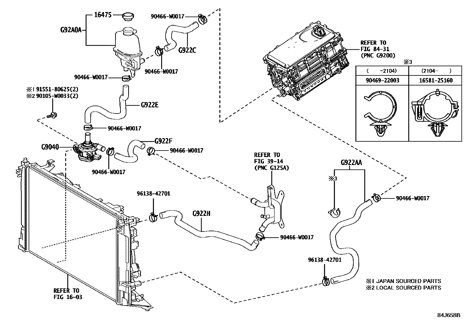
INVERTER COOLING

Parts diagram
1603
16475CAP, RESERVE TANK
main16475-28140i¥1,200201901
3914
8431
G9040INVERTER WATER PUMP ASSY(W/MOTOR)
mainG904047020i202301
mainG904047040i201901
G922AAHOSE, INVERTER COOLING INLET, NO.1
mainG922A02110i202301
mainG922AF4010i201901
G922CHOSE, INVERTER COOLING OUTLET, NO.1
mainG922C02080i202301
mainG922CF4010i201901
G922EHOSE, HYBRID WATER PUMP INLET
mainG922E02080i202301
mainG922EF4010i201901
G922FHOSE, HYBRID WATER PUMP OUTLET, NO.1
mainG922FF4010i201901
G922HHOSE, HYBRID RADIATOR INLET
mainG922H02080i202301
mainG922HF4010i201901
G92A0ATANK ASSY, INVERTER RESERVE
mainG91H002140i202301
mainG91H0F4011i201901
1658125160CLAMP, HOSE(FOR WATER HOSE)
main16581-25160¥300
90105W0033
main90105-W0033¥60
90466W0017
9046922003
main90469-22003¥110
9155180625
main91551-80625¥60
9613842701
main96138-42701¥200

17 parts on this diagram · 2 diagrams in section

INVERTER COOLING — Toyota Parts Diagram with OEM Numbers & Prices | EPC Data