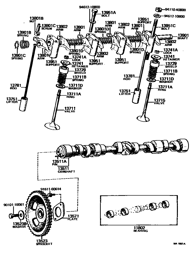
CAMSHAFT & VALVE

11802BEARING SET, CAMSHAFT
13511APIN, STRAIGHT(FOR CAMSHAFT KNOCK)
L=15,OD=6
L=15,OD=5,L=15,OD=5
13523GEAR OR SPROCKET, CAMSHAFT TIMING
N=36
N=36
N=24
13523BWASHER, PLATE(FOR TIMING GEAR)
13711BSPRING, COMPRESSION(FOR INNER)
WD=4.2,CW=6.5
WD=4.7,CW=5.75
13729SHIELD, VALVE STEM OIL
13751LIFTER, VALVE
13801ARM SUB-ASSY, VALVE ROCKER, NO.1
13801BNUT, HEXAGON(FOR VALVE ADJUSTING)
sub90170-08005
13801CSCREW, VALVE ADJUSTING
sub90913-05020
13802ARM SUB-ASSY, VALVE ROCKER, NO.2
13901BSPRING, CONICAL(FOR VALVE ROCKER SHAFT)
13901CSPRING, RETAINER(FOR VALVE ROCKER SHAFT)
13951SUPPORT, VALVE ROCKER, NO.1
W/OIL HOLE
13951ABOLT(FOR ROCKER SUPPORT SET)
13951CBOLT, STUD(FOR ROCKER SUPPORT)
L=100,S=10&54
L=96,S=10&50
9010110061
main90101-10061
9161160614
main91611-60614
9411040800
main94110-40800
9461210800
main94612-10800
31 parts on this diagram · 4 diagrams in section