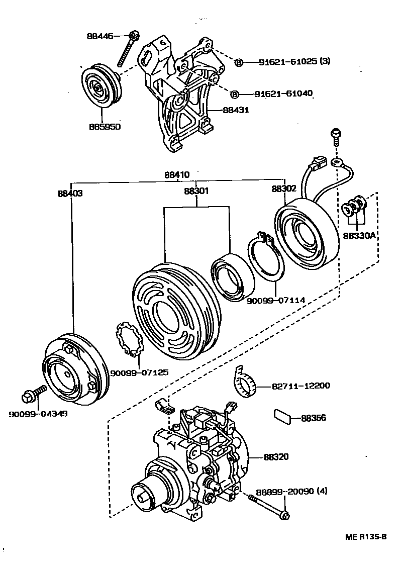
HEATING & AIR CONDITIONING - COMPRESSOR

88301ROTOR SUB-ASSY, MAGNET CLUTCH
88302STATOR SUB-ASSY, MAGNET CLUTCH
88320COMPRESSOR ASSY, COOLER
sub88320-35H91
88330AWASHER (FOR MAGNET CLUTCH)
T=0.5
88356LABEL, COMPRESSOR CAUTION
88403HUB SUB-ASSY, MAGNET CLUTCH
88410CLUTCH ASSY, MAGNET
88431BRACKET, COMPRESSOR MOUNTING, NO.1
88446BOLT, IDLE PULLEY
88595DPULLEY ASSY, IDLE
8271112200WIRE, FUSE TO FUSE(FOR COMBUSTION HEATER)
main82711-12200
8889920090COVER, EVAPORATOR
main88899-20090
9009904349
main90099-04349
9009907114
main90099-07114
9009907125
main90099-07125
9162161025
main91621-61025
9162161040
main91621-61040
17 parts on this diagram · 2 diagrams in section