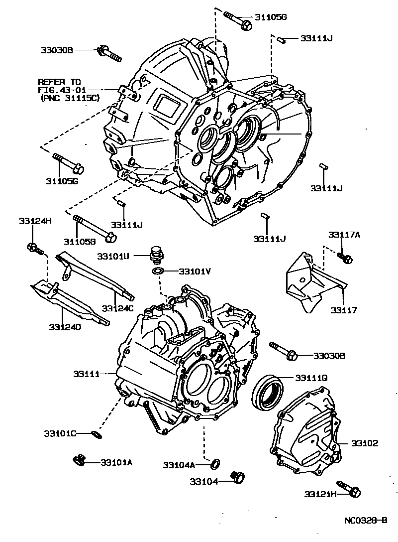
CLUTCH HOUSING & TRANSMISSION CASE (MTM)

31105GBOLT(FOR TRANSAXLE CASE & ENGINE SETTING)
*10-1.25PX43-26
*12-1.25PX96-30
*12-1.25PX55-30
33030BBOLT(FOR TRANSAXLE CASE & TRANSMISSION CASE SETTING)
*8-1.25PX45-27.5
33101APLUG(FOR MANUAL TRANSMISSION FILLER)
33101CGASKET(FOR MANUAL TRANSMISSION FILLER PLUG)
33101UPLUG, BREATHER(FOR MANUAL TRANSMISSION)
33101VGASKET(FOR MANUAL TRANSMISSION BREATHER PLUG)
33102COVER SUB-ASSY, MANUAL TRANSMISSION CASE
33104PLUG SUB-ASSY, DRAIN(MTM)
33104AGASKET, DRAIN PLUG(MTM)
33111CASE, MANUAL TRANSMISSION
33111JPIN, STRAIGHT(FOR MANUAL TRANSMISSION CASE)
L=23,OD=8
33111QSEAL, OIL(FOR TRANSMISSION CASE)
33117PROTECTOR, MANUAL TRANSMISSION CASE
33117ABOLT(FOR MANUAL TRANSMISSION CASE PROTECTOR)
33121HBOLT, W/WASHER(FOR TRANSMISSION CASE COVER)
33124CPIPE, OIL RECEIVER, NO.1(MTM)
33124DPIPE, OIL RECEIVER, NO.2(MTM)
33124HBOLT(FOR OIL RECEIVER PIPE)
4301
19 parts on this diagram · 1 diagram in section